MEAN WELL NMP Configurable Intelligent Power Supplies
MEAN WELL NMP Configurable Intelligent Modular Power Supplies allow users to configure and customize the units to meet their needs. An independent output module slot and an ultra-wide output voltage range enable users to set and adjust output voltage, current, and wattage per the application. The NMP series is certified to both 60601-1 medical safety regulations and 62368-1 IT industry regulations. These 650/1200W power supplies offer intelligent control functions, including remote on/off (by section or entire system) and a 5V auxiliary output to drive devices. The NMD-240 module operates at 240W DC/DC dual output and features two remote control signals. These bicolor output connector indicates the polarity of output voltages. MEAN WELL NMP field configurable / build-your-own intelligent modular power supplies offer flexibility for various applications, including medical equipment, factory automation, and laser equipment.
Features
- Medical (2x MOPP) and ITE dual safety approval
- Suitable for body floating (BF) applications with appropriate system consideration (touch current <100μA/264VAC)
- 1U low profile
- Universal AC input (full range)
- Output voltage and current programmable
- Built-in parallel function
- Output programmable
- Global enable
- NMD-240 module operates at 240W DC/DC dual output module
- Output voltage of dual channels adjustable via separate SVRs
- Two sets of remote-control signals
- Remote local ON-OFF
- Auxiliary DC output
- Overtemperature alarm
- DC OK
- Cooling by thermostatically controlled fan with fan alarm function
- Short-circuit, overload, overvoltage, and overtemperature protection for all output modules
- 5-year warranty
Applications
- Medical equipment
- Diagnostic or biological facilities
- MRI, CT, and PET scanners
- Test or measurement systems
- Telecommunication equipment
- Factory facility and aging equipment
- Laser equipment
Videos
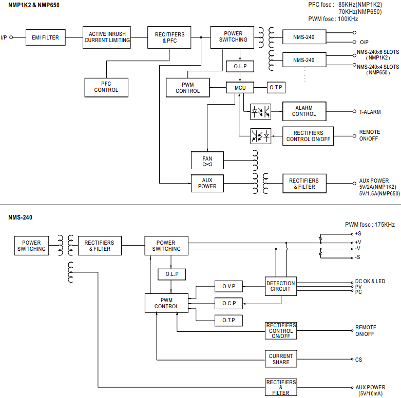
Block Diagram
