Menlo Micro MM5600 DC to 20GHz DPDT Differential Switch
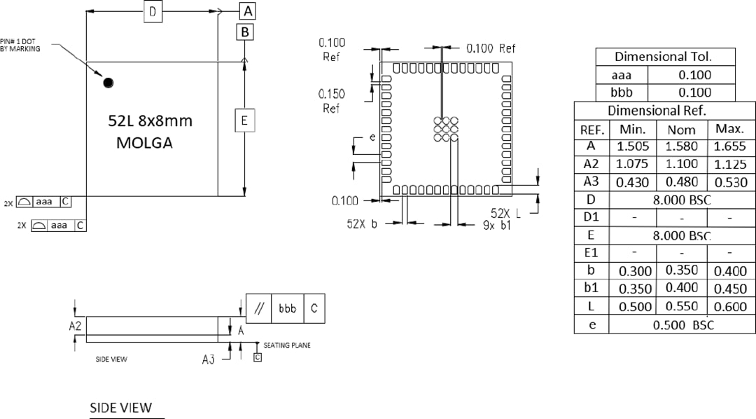
Menlo Micro MM5600 DC to 20GHz DPDT Differential Switch is based on Ideal Switch® technology and can operate up to 40Gbps for digital signaling applications or high-performance RF applications up to 20GHz. The MM5600 has low insertion loss, fast switching speed, internal ESD diodes, and can operate with greater than three billion switching cycles. The MM5600 features an integrated driver controlled by a serial-to-parallel interface (SPI) that drives the high voltage gate lines of the switches. The device also offers two separate single-ended ports and a considerable 90% reduction in size when compared with comparable EM relay solutions. An external +5VDC logic supply and high voltage +89VDC bias source is required for the operation of the internal switch driver.The Menlo Micro MM5600 DPDT Differential Switch is available in an 8mm x 8mm LGA package and is RoHS compliant.
Features
- DC to 20GHz frequency range, up to 40Gbps
- Switching speed
- <10µs operation time
- <2µs release time
- Low insertion loss
- Integrated driver eliminates the requirement for an external gate driver
- Independently controlled dual loopback ports
- Low <0.08mW power consumption
- High reliability with >3 billion switching operations typical
- -40°C to +85°C operating temperature range
- 8.0mm x 8.0mm x 1.6mm LGA-52 package
- RoHS compliant
Applications
- Differential high-speed switching
- ATE-device interface boards
- High-speed computer peripheral interfaces
- Differential component testing
- Differential signal routing
- Test and measurement
Development Tools
Block Diagram
Package Outline
Inilathala: 2022-07-22
| Na-update: 2022-08-18
