Microchip Technology MIC28514 Voltage Regulator
Microchip Technology MIC28514 Voltage Regulator is an adaptive on-time synchronous DC/DC buck regulator with an external soft-start feature. This regulator is capable of providing up to 5A output current from an input voltage supply range of 4.5V to 75V. The MIC28514 Regulator operates at a temperature ranging between -40ºC to +125ºC and switching frequency ranging from 270kHz to 800kHz. The MIC28514 Regulator incorporates hyper-speed control architecture that allows for an ultra-fast transient response while reducing the output capacitance. This adaptive on-time control architecture combines the advantages of fixed-frequency operation and fast transient response in a single device.The Microchip Technology MIC28514 Voltage Regulator is available in a 38-pin 6mm x 6mm PQFN pacakge with a -40°C to +125°C operating range.
Features
- Hyperspeed control architecture enables:
- High input to output voltage conversion ratio capability (VIN=75V and VOUT=0.6V)
- Small output capacitance
- 0.6V to 32V adjustable output voltage
- Zero-ESR to high-ESR output capacitors
- Internal compensation
- Built-in 5V regulator for single-supply operation
- Auxiliary bootstrap LDO for improving system efficiency
- Internal bootstrap diode
- Adjustable soft start time
- Programmable current limit
- "Hiccup" mode short-circuit protection
- Thermal shutdown
- Supports safe start-up into a pre-biased output
- Available in 32-pin, 6mm x 6mm VQFN package
Applications
- Distributed power systems
- Communications/networking infrastructure
- Industrial power supplies
- Solar energy
Typical Application Circuit
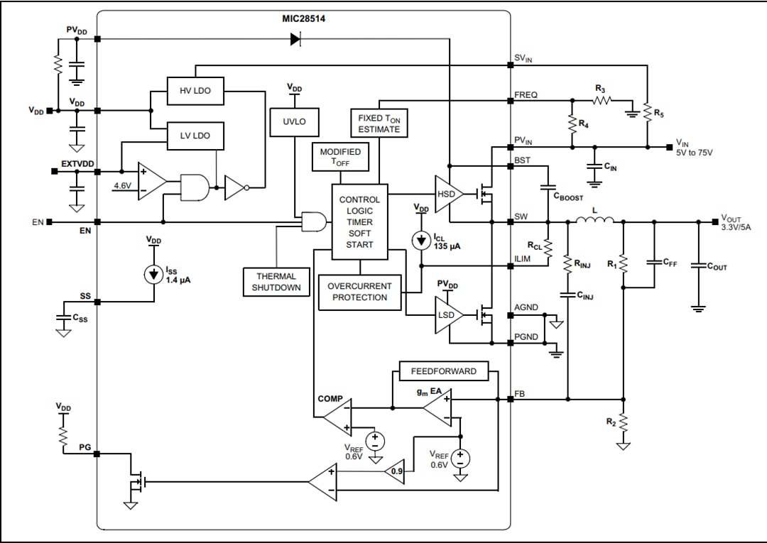
Block Diagram
Inilathala: 2017-05-29
| Na-update: 2022-03-11
