Microchip Technology PIC18FxQ10 High-Performance MCUs
Microchip Technology PIC18FxQ10 High-Performance MCUs are designed with analog, core-independent, and communication peripherals for various low-power and general-purpose applications. These PIC18FxQ10 MCUs feature 10-bit ADC with Computation (ADC2), averaging, filtering, and automating Capacitive Voltage Divider (CVD) techniques for advanced touch sensing and oversampling. The various core independent peripherals include Windowed Watchdog Timer (WWDT), Complementary Waveform Generator (CWG), Zero-Cross Detect (ZCD), and Peripheral Pin Select (PPS).The PIC18FxQ10 MCUs can be easily reset using Power-on Reset (POR), Brown-out Reset (BOR), Low-Power Brown-out Reset (LPBOR), stack overflow, or stack underflow. These PIC18FxQ10 MCUs can be In-Circuit Serial Programming™ (ICSP™) via two pins and In-Circuit Debug (ICD) with three breakpoints via two pins. The WWDT accepts the CLRWDT instruction to recover the system from unexpected events only when performed within a specific window during the timeout period. The oscillator module with Fail-Safe Clock Monitor (FSCM) has multiple selection features and clock sources that help in minimizing power consumption and maximize performance.
Features
- C compiler-optimized RISC architecture
- Four 16-bit timers
- Low-Current Power-on Reset (POR)
- Power-up Timer (PWRT)
- Brown-out Reset (BOR)
- Low-Power BOR (LPBOR) Option
- Windowed Watchdog Timer (WWDT)
- PIC18F24/45/25Q10:
- Up to 32KB program flash memory
- Up to 2048B data SRAM memory
- 256B data EEPROM
- PIC18F26/46Q10:
- Up to 64KB program flash memory
- Up to 3615B data SRAM memory
- Up to 1024B data EEPROM
- 1.8V to 5.5V operating voltage range
- High-Precision Internal Oscillator Block (HFINTOSC)
- 32kHz Low-Power Internal Oscillator (LFINTOSC)
- 32kHz external crystal oscillator
- Fail-Safe Clock Monitor (FSCM)
- Analog peripherals:
- 10-bit ADC with Computation (ADC2)
- Hardware Capacitive Voltage Divider (CVD)
- Zero-Cross Detect (ZCD)
- 5-Bit Digital-to-Analog Converter (DAC)
- Two Comparators (CMP)
- Fixed Voltage Reference (FVR) module
- Digital peripherals:
- Complementary Waveform Generator (CWG)
- Capture/Compare/PWM (CCP) modules
- 10-Bit Pulse-Width Modulators (PWM)
- Programmable CRC with memory scan
- Peripheral Pin Select (PPS)
- Data Signal Modulator (DSM)
MPLAB® Xpress Cloud-Based IDE
MPLAB® Xpress Cloud-Based IDE is an online development environment with the most popular features of our award-winning MPLAB X IDE. This simplified and distilled application faithfully reproduces our desktop-based program, allowing users to transition easily between the two environments.
MPLAB Xpress is a perfect starting point for new users of PIC® microcontrollers (MCUs) - no downloads, no machine configuration, and no waiting to get started on your system development.
Videos
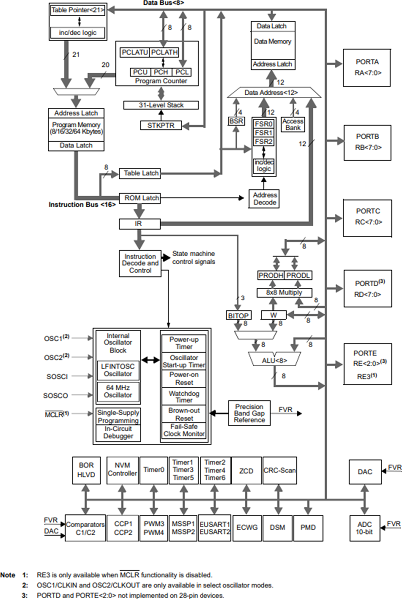
PIC18FxQ10 MCUs Block Diagrams
