Microsemi / Microchip AgileSwitch® Phase Leg SiC MOSFET Power Modules
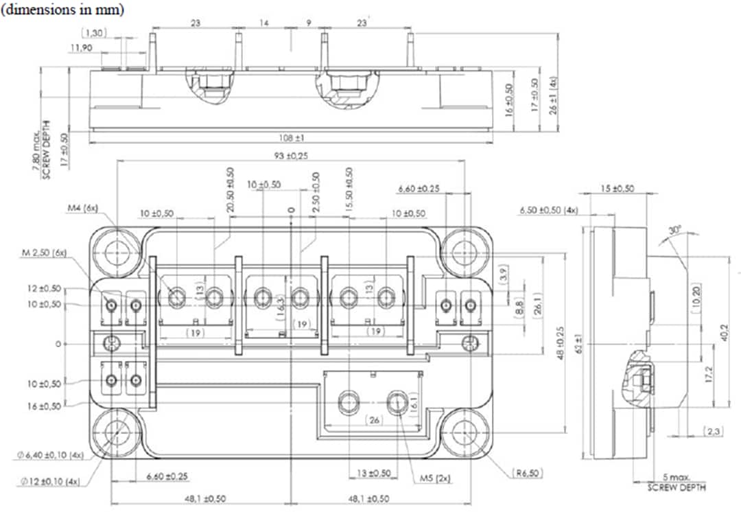
Microsemi / Microchip AgileSwitch® Phase Leg SiC (Silicon Carbide) MOSFET Power Modules are built with SiC MOSFETs and SiC Diodes and combine the advantages of both devices. These power modules feature an extremely low inductance SP6LI package with a maximum stray inductance of 3nH. These SP6LI power modules are offered in 1200V and 1700V variants with a case temperature (Tc) of +80°C. Offering higher power density and a compact form factor, the SP6LI package enables a lower quantity of modules in parallel to achieve complete systems, helping designers to downsize their equipment further.Features
- SiC power MOSFET
- Low RDS(on)
- High-temperature performance
- SiC Schottky Diode
- Zero reverse recovery
- Zero forward recovery
- Temperature-independent switching behavior
- Positive temperature coefficient on VF
- Kelvin source for easy drive
- Very low stray inductance
- M5 power connectors
- Internal thermistor for temperature monitoring
- AlN substrate for improved thermal performance
- High switching frequency
- High efficiency
- SP6LI package
Applications
- Electric vehicle/hybrid electric vehicle (EV/HEV) powertrain and kinetic energy recovery systems (KERSs)
- Aircraft actuation systems
- Power generation systems
- Switched-mode power supplies
- Induction heating
- Medical power supplies
- Photovoltaic (PV)/solar/wind converters
- Uninterrupted power supply (UPS)
Documents
- Application Note
- Catalog
Videos
Package Outline
Inilathala: 2020-04-14
| Na-update: 2024-07-24
