Monolithic Power Systems (MPS) EVM3690-30A-BF-00A Evaluation Board
Monolithic Power Systems (MPS) EVM3690-30A-BF-00A Evaluation Board is designed to demonstrate the capabilities of the MPM3690-30A power module. This is a fully integrated, high-efficiency, synchronous, step-down power module. The MPM3690-30A adopts internally compensated Constant-On-Time (COT) control to provide the fast transient response and ease loop stabilization. This evaluation board features Adjustable Switching Frequency (FSW), Adjustable Soft-Start Time (TSS), Over-Current Protection (OCP), Over-Voltage Protection (OVP), and Ultra-Fast Transient Enabled by Constant-On-Time (COT) control.Features
- Adjustable Switching Frequency (FSW)
- Adjustable Soft-Start Time (TSS)
- Over-Current Protection (OCP)
- Over-Voltage Protection (OVP)
- Differential remote sense for both output channels
- Ultra-Fast transient enabled by Constant-On-Time (COT) control
- Pin-Compatible, Dual 18A output power modules
Specifications
- 3.2V to 16V input voltage range
- 0.6V to 3.3V output voltage range
- 18A of output current
- 500kHz of default switching frequency
- 92.96% of peak efficiency
- 91.28% of full load efficiency
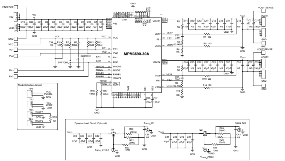
Schematic Diagram
Inilathala: 2022-01-31
| Na-update: 2022-03-11
