Monolithic Power Systems (MPS) EVQ4242-VE-00B Evaluation Board
Monolithic Power Systems (MPS) EVQ4242-VE-00B Evaluation Board is designed to demonstrate the capabilities of the MPQ4242-AEC1 switching voltage regulators. The MPQ4242 device also supports QC2.0/3.0 and Huawei Fast Charge Protocol (FCP) mode. This switching regulator's USB Type-C™ port supports USB PD revision 3.0 with PPS. Applications include USB PD charging ports and USB power supplies.Features
- All-in-one USB Power Delivery (PD) solution for automotive sourcing ports
- Integrated 4-switch buck-boost converter
- Integrated PD 3.0 controller
- Wide 4.8V to 36V operating input voltage (VIN) range
- 3.3V to 22.5V output voltage (VOUT) range
- ±5% accurate output CC current limit
- External High-Side MOSFET (HS-FET) can be paralleled
- Low Quiescent Current (IQ) when USB Type-C is disconnected
Applications
- USB power delivery charging ports
- USB power supplies
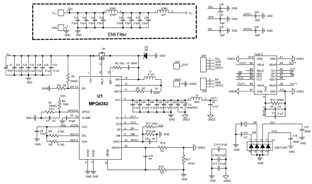
Schematic Diagram
Inilathala: 2024-08-30
| Na-update: 2024-10-15
