Monolithic Power Systems (MPS) MagAlpha™ MA800 8-Bit Contactless Angle Sensor
Monolithic Power Systems (MPS) MagAlpha™ MA800 8-Bit Contactless Angle Sensor is designed to replace analogic potentiometers or rotary switches. The MA800 Sensor detects the absolute angular position of a permanent magnet attached to a rotating shaft. Since the measurement is spatially confined, the user has flexibility in terms of magnet shapes and configurations. Typically, the MA800 is used with a diametrically magnetized cylinder of 3mm to 8mm in diameter.The MA800 features programmable magnetic field strength thresholds, which allow the implementation of a push-button function. These are readable via the register bits and also as output signals.
On-chip non-volatile memory provides storage for configuration parameters, including the reference zero angle position and the magnetic field detection thresholds.
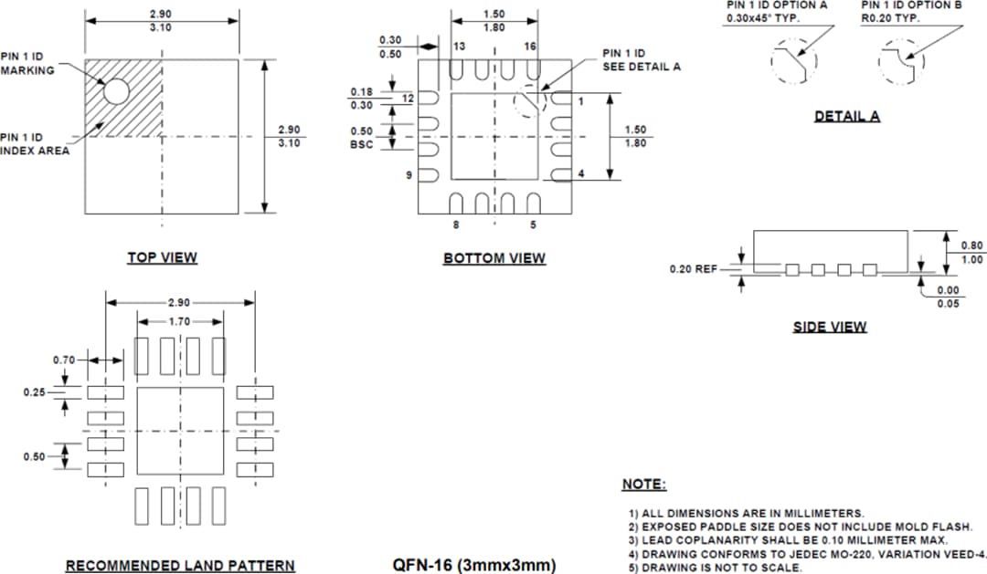
The Monolithic Power Systems (MPS) MagAlpha MA800 Sensor is available in a QFN-16 package.
Features
- 8-bit resolution absolute angle encoder
- Contactless sensing for long life
- SPI and SSI serial interface for digital angle readout and chip configuration
- Programmable magnetic field strength detection for push-button press detection
- 60mT applied magnetic field
- 3.3V supply voltage
- 11.7mA supply current
- -40° to +125°C operating temperature range
- 3.0mm x 3.0mm QFN-16 package
Applications
- Rotary knob control interfaces
- Manual controls
- Encoders
- Automotive
- White goods
Resources
Videos
Block Diagram
Typical Application Circuit
Package Outline
Inilathala: 2021-08-30
| Na-update: 2022-04-15
