Monolithic Power Systems (MPS) MP5061 Hot Swap Voltage Controllers
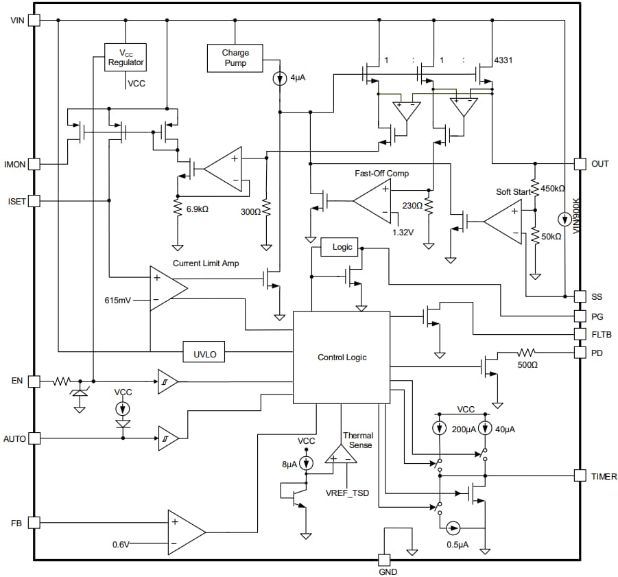
Monolithic Power Systems (MPS) MP5061 Hot Swap Voltage Controllers are designed to protect circuitry on its output from transients on its input. These controllers protect their input from undesired shorts and transients coming from the output. The MP5061 hot swap controllers feature integrated 7mΩ Power FET, 5A to 15A adjustable current limit, and 36V input transient before VOUT start-up. These controllers include an IMON option to produce a voltage proportional to the current through the power device, as set by a resistor from the IMON pin to the ground. Fault protections include current-limit protection, thermal shutdown, under-voltage protection, and damaged MOSFET detection. The MP5061 controllers are ideal for hot-swap, PC cards, storage drives, laptops, desktops, and monitor add power accessories.Features
- Integrated 7mΩ power FET
- 5A to 15A adjustable current limit
- 36V input transient before VOUT start-up
- Output current measurement
- ±10% current monitor accuracy
- <200ns fast response for short protection
- PG detector and FLTB Indication
- PG asserts low at VIN = 0
- Damaged MOSFET detection
- External soft-start
- Under-voltage lockout
- Thermal protection
- Small QFN-22 (3mm x 5mm) package
Applications
- Hot swap
- PC card
- Storage drives
- Laptops
- Desktop
- Monitor add power accessories
Typical Application Circuit Diagram
Block Diagram
Inilathala: 2024-06-21
| Na-update: 2024-06-28
