Nexperia 74AVC9112 1-to-4 Fan-Out Buffers
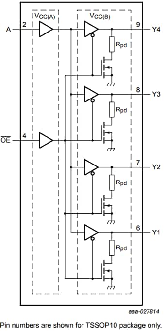
Nexperia 74AVC9112 1-to-4 Fan-Out Buffers are suitable for use in clock distribution and feature a data input (A), four data outputs (Yn), and an output enable input. The VCC is supplied at any voltage from 0.8V to 3.6V. A HIGH on output enable causes all outputs to be pulled LOW via pull-down resistors, and a LOW on output enable disconnects the pull-down resistors and enables all outputs. Schmitt trigger action at all inputs makes the circuit tolerant for slower input rise and fall time. Partial power-down disables the output, preventing damage from backflow current through the device when powered down. Nexperia 74AVC9112 1-to-4 Fan-Out Buffers are available in 8-pin XSON8 and VSSOP8 packages.Features
- Wide supply voltage range
- VCC: 0.8V to 3.6V
- Complies with JEDEC standards
- JESD8-12 (0.8V to 1.3V)
- JESD8-11 (0.9V to 1.65V)
- JESD8-7 (1.2V to 1.95V)
- JESD8-5 (1.8V to 2.7V)
- JESD8-B (2.7V to 3.6V)
- ESD protection
- HBM ANSI/ESDA/JEDEC JS-001 Class 3B exceeds 8kV
- CDM JESD22-C101 exceeds 1000V
- Maximum data rates
- 380Mbit/s (3.3V)
- 200Mbit/s (2.5V)
- 200Mbit/s (1.8V)
- 150Mbit/s (1.5V)
- 100Mbit/s (1.2V)
- Latch-up performance exceeds 100mA per JESD 78 Class II
- Inputs accept voltages up to 3.6V
- 8-pin XSON8 and VSSOP8 packages
- Specified from -40°C to +85°C and -40°C to +125°C
Functional diagram
Inilathala: 2018-09-05
| Na-update: 2023-03-15
