Nexperia BZX8450 Low-Current Voltage Regulator Diodes
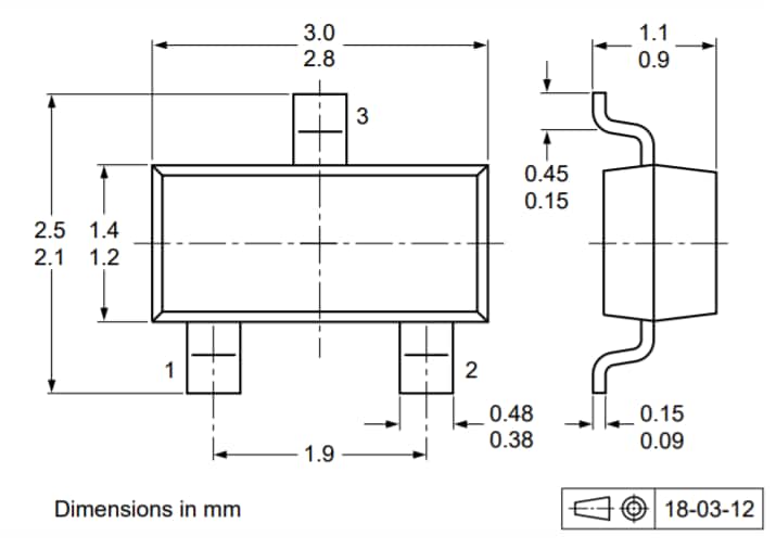
Nexperia BZX8450 Low-Current Voltage Regulator Diodes feature ±5% series tolerance and are available in SOT23 (TO-236AB) SMD plastic package. These diodes feature ≤250mW total power dissipation and operate at 1.8V to 75V voltage range, 0.9V forward voltage (VF), and 200mA forward current (IF). The BZX8450 diodes are used in low-current general regulation functions and at 50µA test current. These diodes are ideal for low-bias and portable battery-powered applications.Features
- ±5% series tolerance
- Specified at a low test current (50μA), ideal for low bias and portable battery-powered applications
- SOT23 (TO-236AB) SMD plastic package
Specifications
- ≤250mW total power dissipation
- 1.8V to 75V operating voltage range
- 0.9V forward voltage (VF)
- 200mA forward current (IF)
- 40W non-repetitive peak reverse power dissipation (PZSM)
- 150°C junction temperature (Tj)
- -55°C to 150°C ambient temperature range (Tamb)
- -65°C to 150°C storage temperature range (Tstg)
Characteristics Curve
Package Outline
Inilathala: 2022-01-10
| Na-update: 2022-03-11
