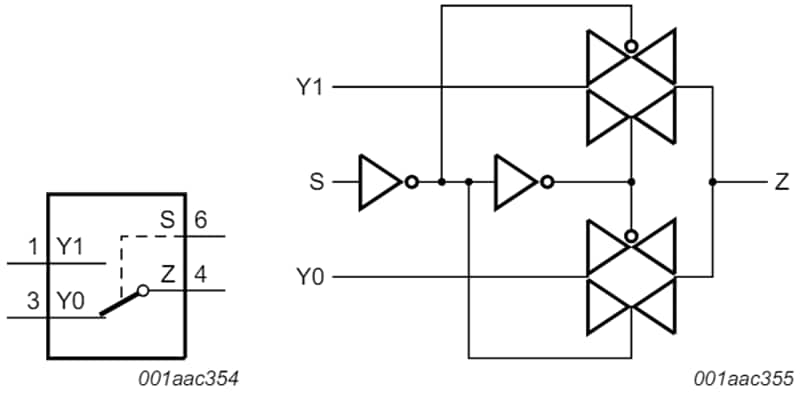
Nexperia NMUX1237 Analog Multiplexer/Demultiplexer
Nexperia NMUX1237 Analog Multiplexer/Demultiplexer is a single-pole double-throw (SPDT) analog switch with a digital select input (S). The Nexperia NMUX1237 has two independent inputs/outputs (Y0 and Y1) and a common input/output (Z). The device has a digital select input (S) that supports 1.8V logic thresholds, regardless of operating voltage. This ensures compatibility in applications combining low-voltage digital I/Os with monitoring mid-voltage analog signals. Specifically designed to minimize signal overshoot, the NMUX1237 is ideal for sensitive applications.Features
- Integrated suppression circuit to minimize signal overshoot
- 1.8V control logic thresholds across the supply operating range
- Ioff circuitry
- Enables wider latitude for power sequencing considerations
- Isolates backflow between supply rail and any biased digital/analog input when VCC = 0V
- Prevents any biased digital/analog input from back powering VCC when VCC = 0V
- Analog switch path maintains an isolation state
- Wide 1.08V to 5.5V supply voltage range
- Very low 4Ω ON resistance
- Low 5nA supply current
- Rail-to-rail operation
- Bidirectional signal path
- Break-before-make switching
- ESD protection
- HBM: ANSI/ESDA/JEDEC JS-001 class 2 exceeds 2000V
- CDM: ANSI/ESDA/JEDEC JS-002 class C2b exceeds 750V
- Specified from -40°C to +85°C and from -40°C to +125°C
Applications
- Low-voltage digital I/Os combined with mid-voltage analog signal monitoring
- Signal-sensitive applications requiring minimal overshoot
Block Diagram
Inilathala: 2024-07-02
| Na-update: 2025-08-06
