Nexperia PBSS5350X PNP Bipolar Transistor
Nexperia PBSS5350X PNP Bipolar Transistor is designed with a low collector-emitter saturation voltage (VCEsat) and is housed in a compact SOT89 (SC-62) surface-mounted plastic package. This transistor features high collector current capability and offers high efficiency, leading to less heat generation. The PBSS5350X transistor is AEC-Q101 qualified and is suitable for applications requiring high efficiency and compact PCB layouts. Some of the applications include DC-DC converters, battery chargers, LCD backlighting, and peripheral drivers.
Features
- Low collector-emitter saturation voltage (VCEsat)
- High collector current capability (IC = -3A)
- -50V (VCEO) collector to emitter voltage
- Higher efficiency leading to less heat generation
- Reduced printed-circuit board requirements
- AEC-Q101 qualified
- -65°C to 150°C storage temperature range
- SOT89 (SC-62) flat lead Surface-Mounted Device (SMD) plastic package
Applications
- Power management:
- DC/DC converters
- Supply line switching
- Battery chargers
- LCD backlighting
- Peripheral drivers:
- Drivers in low supply voltage applications (e.g., lamps and LEDs)
- Inductive load drivers (e.g., relays, buzzers, and motors)
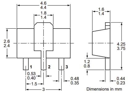
Package Outline
Inilathala: 2025-09-09
| Na-update: 2026-02-24
