NXP Semiconductors GD3160 Advanced Gate Drivers
NXP Semiconductors GD3160 Advanced Gate Drivers are designed to drive SiC and IGBT modules for xEV traction inverters, OBC, and DC-DC converters. The GD3160 features integrated galvanic isolation, a programmable interface via SPI, and advanced programmable protection options, such as overtemperature, desaturation, and current sense protection.The NXP Semiconductors GD3160 Advanced Gate Drivers capably drive SiC MOSFETs and IGBT gates directly utilizing high-performance switching, low dynamic on-resistance, and rail-to-rail gate voltage control.
The GD3160 autonomously manages faults, reporting power device and gate driver status via the INTA and INTB pins and the SPI interface. GD3160 includes self-test, control, and protection functions for designing high-reliability systems (ASIL C/D) and meets the stringent requirements of automotive applications, fully AEC-Q100 grade 1 qualified.
Features
- Integrated Galvanic signal isolation (up to 8kV)
- High gate current integrated of 15A source/sink capable
- SPI interface for safety monitoring, configuration, and diagnostic reporting
- Supports high switching frequencies of PWM up to 100kHz
- Fail-safe state management from LV and HV domain for user-selectable safe state
- Programmable gate voltage regulator over an expanded range
- Temperature sense compatible with NTC and PTC thermistors
- Configurable desaturation and current sense optimized for protecting SiC and IGBTs
- Integrated soft shutdown, two-level turn-off, optimized for unique gate drive requirements of SiC
- Real-time VCE and VGE monitoring via INTA pin
- Integrated ADC for monitoring parameters from HV domain
- CMTI > 100V/ns
- Compatible with 200V to 1700V IGBT/SiC, power range > 125kW
- Operating temperature range of −40 °C to 125 °C
- External Creepage distance (CPG) of > 7.8mm
- Available in 3.3V or 5.0V I/O logic interface variants
- Small package footprint (8mm x 13mm) 32-pin SOIC
- Safety and regulatory approvals
- Reinforced isolation per DIN V VDE V 0884-10
- Withstand 5000V rms (1 minute) isolation per UL 1577
- CSA Component Acceptance Notice 5A
- AEC-Q100 grade 1 automotive qualified
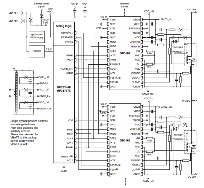
Simplified application diagram
Inilathala: 2022-06-01
| Na-update: 2024-06-10
