NXP Semiconductors TEA2017AAT LLC & Multimode PFC Controller
NXP Semiconductors TEA2017AAT LLC and Multimode PFC Controller is a digital configurable LLC and PFC combo controller for high-efficiency resonant power supplies. The device includes an LLC controller and PFC controller functionality. The TEA2017AAT can help users build a complete resonant power supply, making it easy to design with a low component count.The digital architecture is based on a high-speed configurable hardware state machine, ensuring reliable real-time performance. Each configuration can be secured to prevent unauthorized copying of the proprietary NXP Semiconductors TEA2017AAT configuration content. The device comes in a low profile and narrow body-width SO16 package.
Features
- Complete functionality of a PFC and LLC controller in a single small-size SO16 package
- Integrated high-voltage start-up
- Integrated drivers and high-voltage level shifter (LS)
- The high-side driver directly supplied from the low-side driver's output
- Accurate boost voltage regulation
- PFC can be configured to operate in
- DCM/QR
- DCM/QR/CCM (also called multimode operation)
- CCM fixed frequency
- Integrated X-capacitor discharge without additional external components
- Power good function
- PFC jitter for optimized EMI performance
- Excellent power factor (PF) and total harmonic distortion (THD), as the PFC current compensates for the input filter current
- Several parameters can easily be configured during evaluation with the use of the graphical user interface (GUI), like
- Operating frequencies to be outside the audible area at all operating modes
- Soft start and soft stop in burst mode, reducing the audible noise
- Accurate transition levels between operation modes (high-power mode/low-power mode/burst mode)
- Enabling/disabling the lower power mode
- Valley/zero voltage switching for minimum switching losses
- Extremely high efficiency from low load to high load
- Compliant with the most current energy-saving standards and directives (Energy Star, EuP)
- Excellent no-load input power (< 75 mW for TEA2017AAT/TEA2095T combination)
- Independently configurable levels and timers
- Many protections can independently be set to latched, safe restart, or latched after several attempts to restart
- Supply undervoltage protection (UVP)
- Overpower protection (OPP)
- Internal and external overtemperature protection (OTP)
- Capacitive mode regulation (CMR)
- Accurate overvoltage protection (OVP)
- Overcurrent protection (OCP)
- Inrush current protection (ICP)
- Brown-in/brown-out protection
- Disable input
Applications
- Desktop and all-in-one PCs
- Gaming power supplies
- LCD television
- Notebook adapters and general-purpose adapters
- Printers
- Server
- 5G supplies
- UHD LED television
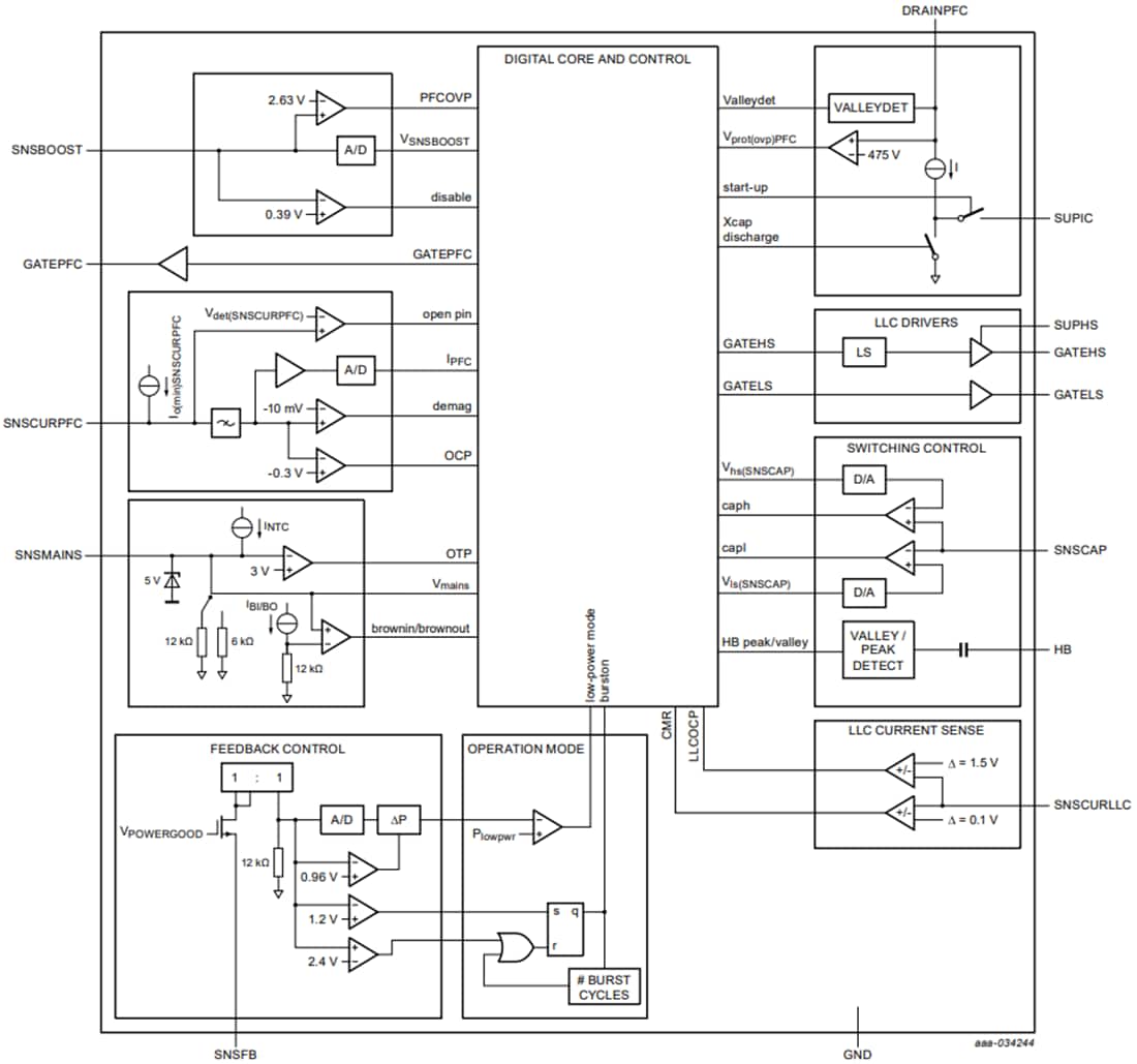
Block Diagram
Inilathala: 2022-05-18
| Na-update: 2023-09-26
