Omron Industrial Automation J7MC Manual Motor Starters
Omron Industrial Automation J7MC Manual Motor Starters provide a high tripping capacity (100kA/440VAC maximum) to shut off the large current at short-circuit accidents. This Motor Protection Circuit Breaker (MPCB) system uses rocker and rotary switches to protect from overloads, phase failures, and short circuits. In combination with the J7KC Magnetic Contactor, the J7MC is ideal for control of motors to AC-3 class, 2.2kW (200VAC to 240VAC), or 5.5kW (380VAC to 440VAC). The Push-In Plus wiring technology saves wiring and maintenance time. Omron J7MC Manual Motor Starters are equipped with a dial cover as standard to prevent accidental setting changes. The device is also lockable with a padlock to ensure safety at startup. These compact modules have a unified 45mm width to help downsize control panels.Features
- MPCB system protects from overload, phase failure, and short circuit
- 45mm width compact mountable module
- Push-In Plus wiring technology saves wiring and maintenance time
- In combination with J7KC magnetic contactor, the J7MC is ideal for control of motors to AC-3 class, 2.2kW (200VAC to 240VAC) or 5.5kW (380VAC to 440VAC)
- Equipped with a dial cover as standard to prevent accidental setting changes
- Lockable with a padlock to ensure safety at startup
- Certified as compliant with the main safety standards
Applications
- PCB assembly production lines
- Motor breakers
Specifications
- 100kA/440VAC maximum high breaking capacity
- Trip class
- 10 trips within 4 minutes at 150% (for example, on hot start)
- Trips in 4s to 10s at 720% (i.e. on cold start)
- 0.16A to 20A rated current
- Three poles
- 690VAC rated insulation voltage
- 6kV rated impulse dielectric strength
- 50Hz to 60Hz rated frequency
- IP20 protection
- -20°C to +60°C operating temperature range
- 95% RH (no condensation or icing)
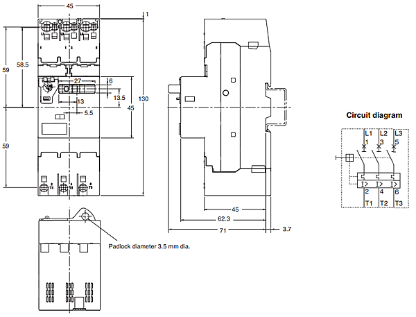
J7MC-3R Dimensions (mm)
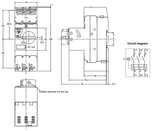
J7MC-3P Dimensions (mm)
Inilathala: 2020-03-27
| Na-update: 2024-03-27
