onsemi NCV7462 System Basis Chip
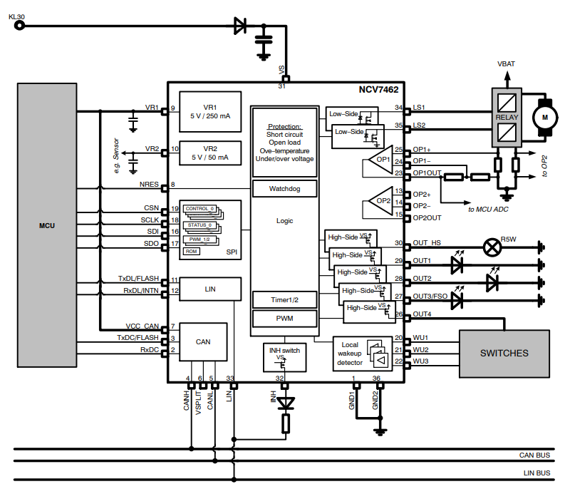
onsemi NCV7462 System Basis Chip comes with LIN, CAN, high-side (HS), and low-side (LS) drivers. onsemi NCV7462 chip incorporates an enhanced feature set useful in automotive body control systems. This IC features two 5V voltage regulators, high-side and low-side switches to control LEDs and relays, and supervision functionality like a window watchdog. The NV7462 chip is a highly integrated solution that replaces the external discrete components while maintaining the system's flexibility. Typical applications include de-centralized door electronic systems, body control units (BCUs), and climate control systems.Features
- High-side and low-side switches to control LEDs and relays
- Supervision functionality like a window watchdog
- 5V to 28V main supply functional operating range
- 6V to 18V main supply parametrical operating range
- CAN high-speed transceiver compliant with ISO11898
- TxD time-out on CAN
- LIN physical layer according to LIN 2.x and SAEJ2602
- Programmable TxD time-out on LIN
- Power management through operating modes
- Normal
- Standby
- Sleep
- Flash
- Low drop voltage regulator VR1 with 5V/250mA and ±2% output tolerance
- Reverse current protected low drop voltage regulator VR2 with 5V/50mA and ±2% output tolerance
- 3 x wake-up inputs
- Wake-up logic with cyclic contact monitoring
- Wake-up source recognition
- Independent PWM functionality for all outputs (integrated PWM registers)
- 2 x low-side driver (typ.3) with overload protection and active clamp
- 1 x high-side driver (typ.1) with overload and underload detection and auto-recovery
- 1 x high-side driver (selectable between typ.2 and 7) with overload and underload detection
- 3 x high-side driver (typ.7) with overload and underload detection
- 2 x operational amplifier for current sensing
- 24-bit SPI interface
- Protection against short circuits, overvoltage, and overtemperature
- SSOP36-EP package
- AEC-Q100 qualified and PPAP capable
Applications
- De-centralized door electronic systems
- BCUs
- Climate control systems
Additional Resource
Block Diagram
Application Circuit Diagram
Inilathala: 2020-09-03
| Na-update: 2024-05-30
