onsemi FSB50550B/FSB50550BS Motion SPM® 5 Series Module
onsemi FSB50550B/FSB50550BS Motion SPM® 5 Series Module provides a fully-featured, high-performance inverter output stage for AC Induction, BLDC, and PMSM motors. The module integrates an optimized gate drive of the built-in MOSFETs (FRFET® technology) to minimize EMI and losses. The onsemi FSB50550B / FSB50550BS provides multiple on-module protection features, including under-voltage lockouts and thermal monitoring.Features
- UL Certified No. E209204 (UL1557)
- Optimized for over 10kHz switching frequency
- 500V FRFET MOSFET 3-phase inverter with gate drivers and protection
- Separate open-source pins from low-side MOSFETs for three-phase current-sensing
- The active-HIGH interface works with 3.3/5V logic, Schmitt-trigger input
- Built-in bootstrap diodes simplify PCB layout
- Optimized for low electromagnetic interference
- HVIC temperature-sensing built-in for temperature monitoring
- HVIC for gate driving and under-voltage protection
- 1500Vrms/min. isolation rating
- RoHS compliant
- Moisture Sensitive Level (MSL) 3 for SMD package
Applications
- 3-phase inverter driver for small power AC motor drives
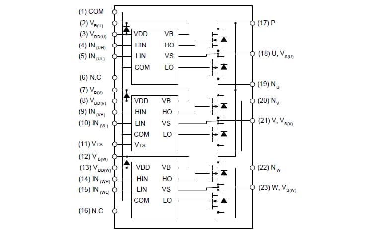
Block Diagram
Additional Resources
Inilathala: 2017-04-20
| Na-update: 2022-03-11
