onsemi NCD57000 & NCD57001 High Current IGBT Drivers
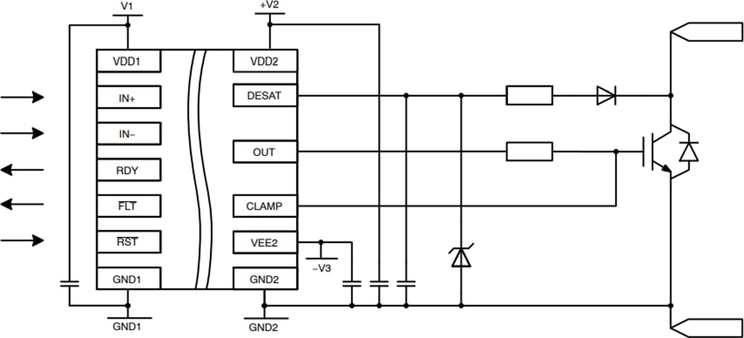
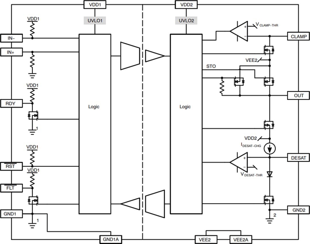
onsemi NCD57000 and NCD57001 High Current IGBT Drivers are single-channel IGBT Gate Drivers with internal galvanic isolation, designed for high system efficiency and reliability in high-power applications. The NCD57000 and NCD57001 IGBT Drivers feature complementary inputs, open-drain FAULT, and ready outputs, active Miller clamp, accurate UVLOs, DESAT protection, and soft turn-off at DESAT. The NCD57000 IGBT Driver also offers separate high and low (OUTH and OUTL) driver outputs for system design flexibility and convenience.The NCD57000 and NCD57001 both accommodate 5.0V and 3.3V signals on the input side and a wide bias voltage range on the driver side, including negative voltage capability. These devices provide >5kVrms (UL1577 rating) galvanic isolation and >1200Viorm (working voltage) capabilities.
The NCD57000 and NCD57001 IGBT Gate Drivers are available in a wide-body SOIC-16 package, with a guaranteed 8mm creepage distance between input and output to fulfill reinforced safety insulation requirements. These devices are Pb-free, halogen-free, and RoHS-compliant.
Features
- High current output (+4/-6A) at IGBT Miller plateau voltages
- Low output impedance for enhanced IGBT driving
- Short propagation delays with accurate matching
- Active Miller clamp to prevent spurious gate turn-on
- DESAT protection with programmable delay
- Separate high and low (OUTH and OUTL) driver outputs (NCD57000 only)
- Negative voltage (down to -9V) capability for DESAT
- Soft turn-off during IGBT short circuit
- IGBT gate clamping during short circuit
- IGBT gate active pulldown
- Tight UVLO thresholds for bias flexibility
- Wide bias voltage range, including negative VEE2
- 3.3V to 5V input supply voltage
- Designed for AEC-Q100 certification
- 5000V galvanic isolation (to meet UL1577 requirements)
- 1200V working voltage (per VDE0884-11 requirements)
- High transient immunity
- High electromagnetic immunity
- SOIC-16 WB package
- Pb-free, halogen-free and RoHS-compliant
Applications
- Solar inverters
- Motor control
- Welding
- Uninterruptible power supplies (UPS)
- Industrial power supplies
Videos
Block Diagram
Simplified Application Circuit
Inilathala: 2019-02-27
| Na-update: 2025-03-04
