onsemi NCD57200 Half-Bridge Gate Driver
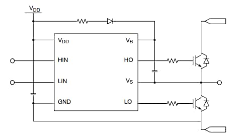
onsemi NCD57200 Half-Bridge Gate Driver is a high-voltage gate driver with one non-isolated low-side gate driver and one galvanic isolated high- or low-side gate driver. This gate driver can directly drive two IGBTs in a half-bridge configuration. The NCD57200 gate driver offers optimized output stages that provide a means of reducing IGBT losses. The galvanic isolation for the high-side gate driver guarantees reliable switching in high-power applications for IGBTs that operate up to 800V. onsemi NCD57200 Half-Bridge Gate Driver includes two independent inputs with deadtime and interlock, accurate asymmetric UVLOs, and short and matched propagation delays. Typical applications include fans, pumps, home appliances, consumer electronics, and general-purpose half-bridge applications.Features
- 1.9A/-2.3A high peak current output
- Low output voltage drop for enhanced IGBT conduction
- Secured output low state without VDD/VB
- Up to 800V floating channel for bootstrap operation
- Up to 50kV/s common-mode transient immunity (CMTI)
- Reliable operation for VS negative swing to -800V
- Up to 800V VDD and VBS supply range
- 3.3V, 5V, and 15V logic input
- Asymmetric undervoltage lockout thresholds for high-side and low-side
- 90ns matched propagation delay
- 20ns minimum pulse width filter (or input noise filter) built-in
- 340ns dead-time and high and low inputs interlock built-in
- Output in phase with input signal
- Lead-free and halogen-free/BFR-free
- RoHS compliant
Applications
- Fans
- Pumps
- Home appliances
- Consumer electronics
- General-purpose half-bridge applications
Block Diagram
Simplified Application Schematic
Inilathala: 2020-05-27
| Na-update: 2024-05-23
