onsemi NCP51530 MOSFET Gate Drivers
onsemi NCP51530 MOSFET Gate Drivers are high frequency, 700V, 2A high and low side driver capability for AC/DC power supplies and inverters. The NCP51530 offers low propagation delay, low quiescent current, and low switching current at high frequencies of operation. These NCP51530 drivers are adapted for high-efficient power supplies operating at high frequencies. The NCP51530 drivers are available in two versions: NCP51530A and NCP51530B. The NCP51530A driver has a typical 60ns propagation delay, while NCP51530B has a typical propagation delay of 25ns. Typical applications include high-density SMPS for servers, telecom, industrial, half/full-bridge and LLC converters, active clamp flyback/forward converters, solar inverters, and electric power steering.Features
- High voltage range up to 700V
- NCP51530A:
- Typical 60ns propagation delay
- NCP51530B:
- Typical 25ns propagation delay
- Low quiescent and operating currents
- 15ns rise and fall time
- 2.2A/1.7A source/sink currents
- Under-voltage lockout for both channels
- 3.3V and 5V input logic compatible
- High dv/dt immunity up to 50V/ns
- Pin-to-pin compatible with industry-standard half-bridge ICs
- Matched propagation delay (7ns maximum)
- High negative transient immunity on bridge pin
- DFN10 package offers both improved creepage and exposed pad
Applications
- High-density SMPS for servers, telecom, and industrial
- Half/full-bridge and LLC converters
- Active clamp flyback/forward converters
- Solar inverters and motor controls
- Electric power steering
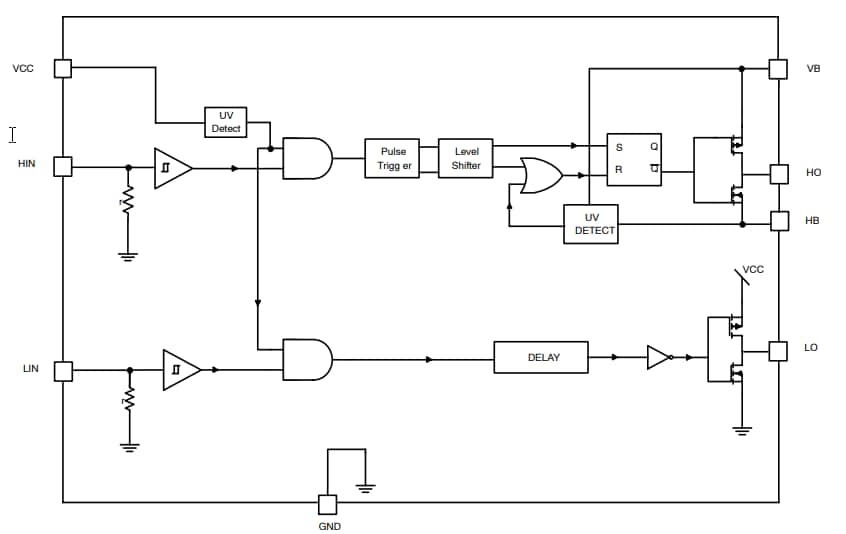
NCP51530 Gate Drivers Block Diagram
View Results ( 2 ) Page
| Numero ng Piyesa | Datasheet | Paglalarawan | Current ng Output | Dami ng Output | Supply Current ng Pagpapatakbo | Produkto |
|---|---|---|---|---|---|---|
| NCP51530ADR2G | ![]() |
Gate Drivers 700V HALF BRIDGE DRIVER | 3.5 A | 2 Output | 2 mA | MOSFET Gate Drivers |
| NCP51530BDR2G | ![]() |
Gate Drivers 700V HALF BRIDGE DRIVER | 3.5 A | 2 Output | 2 mA | MOSFET Gate Drivers |
Inilathala: 2018-07-03
| Na-update: 2025-03-04

