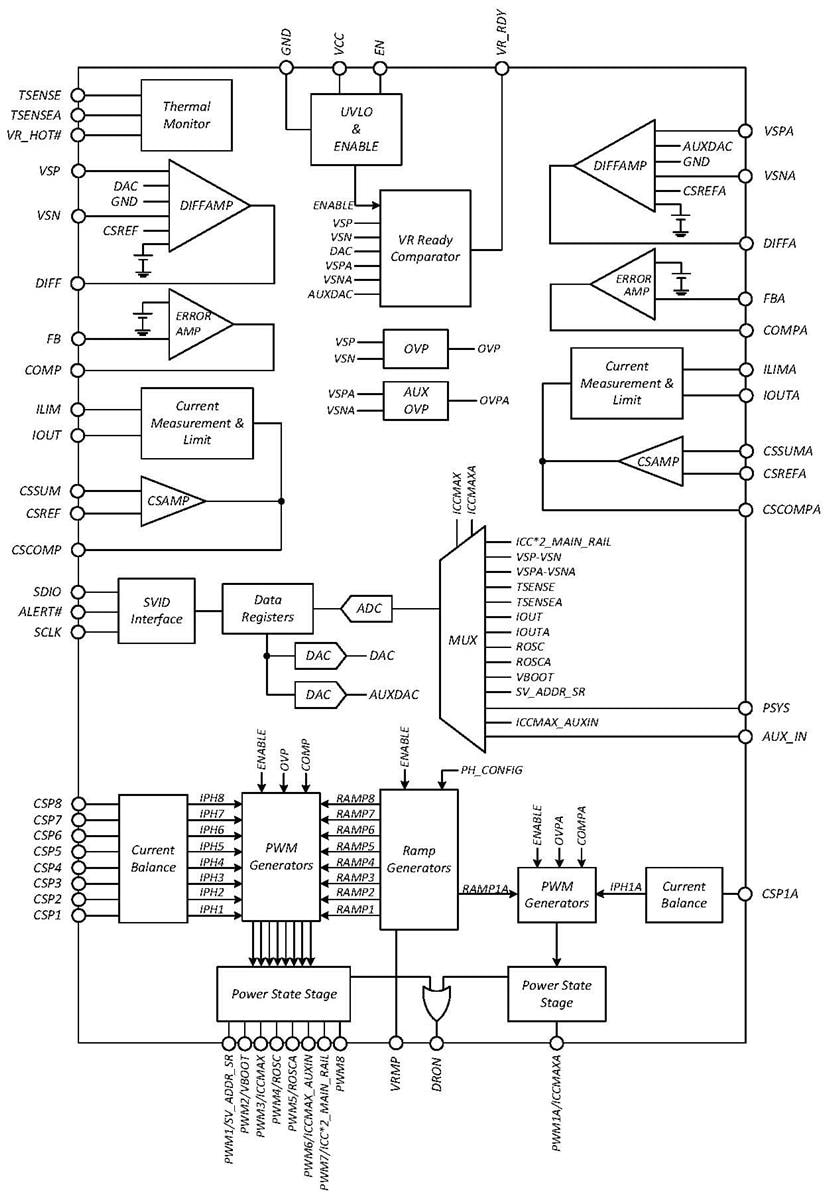
onsemi NCP81560 8+1 Phase Output Controllers
onsemi NCP81560 8+1 Phase Output Controllers are buck solutions designed for Intel's IMVP9.1 CPUs. The onsemi NCP81560 controllers feature a dual rail, multi-phase rail control system using Dual-Edge PWM and DCR current sensing for quick response to dynamic load events and cost savings. The amplifier has an ultra-low offset for accurate current monitoring, with programmable offset compensation.Features
- High impedance differential output voltage amplifier
- Differential current sense amplifiers for each phase
- Programmable Adaptive Voltage Positioning (AVP)
- Digitally stabilized switching frequency
- Typical applications include computers
Block Diagram
Inilathala: 2024-02-14
| Na-update: 2024-05-02
