onsemi NCV75215 Ultrasonic Measurement ASSP

onsemi NCV75215 Ultrasonic Parking Distance Measurement Application-Specific Standard Product (ASSP)  is designed to enhance vehicle parking assistance systems by providing precise obstacle distance measurements. Utilizing a piezoelectric ultrasonic transducer, the onsemi NCV75215 operates with high sensitivity and low noise, allowing detection of obstacles from 0.25m to 4.5m. The device drives the transducer with a programmable frequency and processes the received echo to determine the distance to an obstacle through time-of-flight (TOF) measurement. This component features adjustable gain control, acoustic noise monitoring, and diagnostic capabilities for transducer performance. Additionally, the NCV75215 includes EEPROM memory for configuration settings and user data, ensuring reliable and customizable operation. This ASSP is ideal for automotive park assist applications, providing accurate and dependable distance measurements to improve safety and convenience during parking.

Features

  • 0.25m to 4.5m measurement distance range (depends on external parts)
  • Acoustic noise monitoring
  • Transducer resonant period measurement
  • Diagnosis of transducer performance
  • Junction temperature monitoring and thermal shutdown
  • 35kHz to 90kHz transducer center frequency range
  • Direct and indirect measurement modes
  • EEPROM memory for configuring settings and user data
  • 50dB to 110dB adjustable Rx gain range in 0.5dB steps
  • Time-dependent threshold values for the sensitivity control
  • Dynamic (time-dependent) gain control
  • 50mA to 350mA adjustable Tx current range
  • Programmable ultrasonic burst length
  • On-chip bidirectional I/O line
  • Small TSSOP16 package
  • AEC-Q100 qualified and PPAP capable
  • Lead-free and RoHS-compliant

Applications

  • Automotive park assist
  • Automotive emergency brake
  • Automotive blind spot detection
  • Ultrasonic distance measurements

Specifications

  • 6VDC to 18VDC supply voltage range
  • Maximum total supply voltage current consumption
    • 8mA in normal mode, no transmission
    • 1mA in low power mode
  • 1ms maximum wake-up time from low power mode to normal mode
  • Receiver amplifier
    • 87kΩ typical input resistance
    • 100pF typical input capacitance
    • 50dB to 110dB programmable receiver gain
    • 0.5dB typical receiver gain step, 127 steps
    • 35kHz to 90kHz bandwidth
  • Transducer driver
    • 50mA to 350mA programmable transmitter current range
    • 4.76mA typical transmitter current step, 63 steps
    • ±20% transmitter current tolerance
  • 9.7MHz to 10.3MHz internal oscillator frequency
  • EEPROM
    • 15 years minimum data retention time
    • 100 cycles minimum write endurance
    • 1M cycles refresh/read endurance
  • Maximum ESD capability
    • 2kV Human Body Model (HBM)
    • 500V Charge Device Model (CDM), all pins
    • 750V Charge Device Model (CDM), corner pins
  • Maximum latch-up immunity
    • 200mA at +25°C
    • 100mA at +125°C
  • 135°C/W junction-to-air thermal resistance
  • Temperatures
    • +125°C maximum junction
    • +260°C maximum lead soldering
    • -40°C to +85°C ambient range under bias
    • -40°C to +125°C junction range under bias

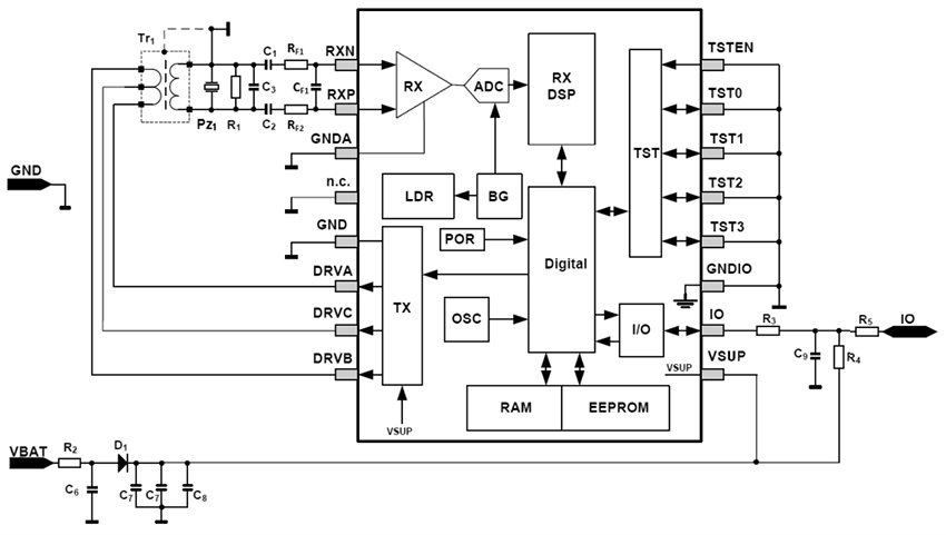
Application Schematic

Application Circuit Diagram - onsemi NCV75215 Ultrasonic Measurement ASSP

I/O Line Driver Structure/External Network

Mechanical Drawing - onsemi NCV75215 Ultrasonic Measurement ASSP
Inilathala: 2025-04-29 | Na-update: 2025-12-04