onsemi NCV78343 Single-Chip Pixel Controller

onsemi NCV78343 Single-Chip Pixel Controller for automotive (front) lighting is a single-chip pixel controller with embedded switches to control individual LEDs in a series LED string. The onsemi NCV78343 is designed for automotive dynamic lighting applications, specifically high-current LEDs. In order to create a pixel lighting solution, the LEDs need to be powered by current sources such as the NCV78763 or NCV78723 LED Drivers. The NCV78343 pixel controller devices receive the pixel control parameters from the pixel light ECU which translates the required light pattern or light image into individual pixel dimming data.

One pixel controller device can control up to 12 pixels of 1× or 2× 1.4A LEDs per pixel. The maximum LED string voltage has to be limited to 60V. When more than 12 pixels are to be controlled, multiple pixel controllers can be combined in a single system.

The onsemi NCV78343 uses two communication interfaces to connect with a microcontroller (MCU). A universal asynchronous receiver transmitter (UART) supports the CAN transceiver and multipoint low voltage differential signaling (M-LVDS) for either local connection or connection with the MCU.

Features

  • AEC-Q100 qualified and PPAP capable
  • Single-chip compatible with IMS board (single layer)
  • 12x integrated switches with multiple configuration options
  • Minimum external components
  • Communication interfaces to the Pixel Light ECU via:
    • Integrated M-LVDS
    • UART over CAN interface
    • Integrated bridge between M-LVDS and UART
    • Supports up to 32x devices, 1Mbaud
  • No need for a local MCU and precise clock
    • Interface to external I2C EEPROM
    • Integrated 8-bit Analog-to-Digital Converter (ADC)
  • Dimming controller, PWM + phase shift unit per channel
  • Over-temperature protection
  • Individual Open/Short/OV LED diagnostic feedback
  • Open LED failure automatic bypass
  • SSOP36 EP package
  • Lead-free device

Applications

  • Dynamic adaptive driving beam functions
    • Glare-free high beams
    • Static swiveling
    • Beam shaping
    • Light power adjustment
  • Animated welcome functions on signal lights
  • Wiping blinkers

Specifications

  • 4.5V to 40V battery supply voltage range
  • 0V to 10V switch differential voltage range
  • 0V to 60V LED string voltage range
  • 1.4A maximum buck switch output current
  • 125kbit to 1000kbit PXN communication speed range
  • -40°C to +125°C ambient temperature range
  • 3.5°C/W typical junction-to-exposed pad thermal resistance
  • ESD ratings
    • ±2kV Human Body Model (HBM)
    • ±500V Charge Device Model (CDM)

Application Diagram

Application Circuit Diagram - onsemi NCV78343 Single-Chip Pixel Controller

Block Diagram

Block Diagram - onsemi NCV78343 Single-Chip Pixel Controller

System Architectures

The NCV78343 supports two communication interfaces: UART and M-LVDS. Both interfaces can be utilized to communicate. The first example uses the UART interface over the CAN physical layer as a master bus from the LED Driver Module to the first NCV78343 chip and the M-LVDS bus for local connection between submodules of each functional light, such as high beam, low beam, turn indicator, etc. The second example uses the M-LVDS bus only.

Using CAN−FD and M-LVDS

Location Circuit - onsemi NCV78343 Single-Chip Pixel Controller

Using M-LVDS only

Location Circuit - onsemi NCV78343 Single-Chip Pixel Controller

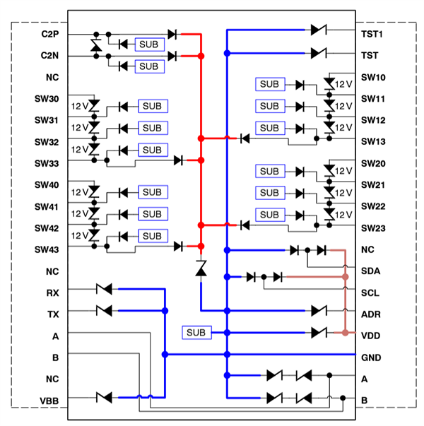
ESD Protection Schematic

Schematic - onsemi NCV78343 Single-Chip Pixel Controller
Inilathala: 2024-10-22 | Na-update: 2024-11-07