onsemi NVMYS3D8N04CL Power MOSFET
onsemi NVMYS3D8N04CL Power MOSFET is a single N-channel MOSFET designed for compact and efficient designs with high thermal performance. This power MOSFET operates at 40V Drain-to-Source voltage, 3.7mΩ drain resistance, and 87A continuous drain current. The NVMYS3D8N04CL N-channel MOSFET is AEC-Q101 qualified, PPAP capable, and suitable for automotive applications that require enhanced board-level reliability. This device is Pb-free and RoHS Compliant. The NVMYS3D8N04CL is ideal for reverse battery protection power switches, switching power supplies, solenoid drivers, motor control, and load switches.Features
- Small footprint 5mm x 6mm for compact design
- Low RDS(on) to minimize conduction losses
- Low QG and capacitance to minimize driver losses
- 40VDSS Drain-to-Source voltage
- 3.7mΩ drain resistance
- LFPAK4 package industry standard
- AEC-Q101 qualified and PPAP capable
- Device is Pb-free and RoHS Compliant
Performance Graph
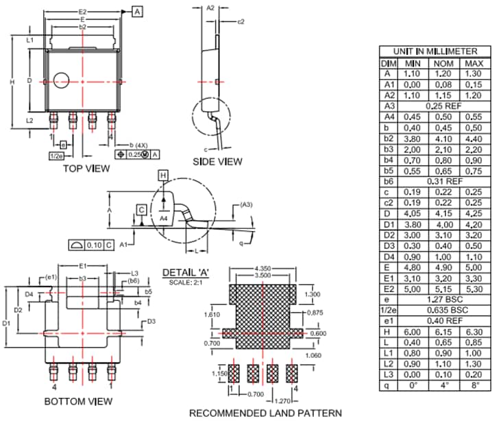
Dimensions
Inilathala: 2024-02-22
| Na-update: 2024-03-10
