onsemi NVMYS9D3N06CL Power MOSFET
onsemi NVMYS9D3N06CL Power MOSFET is a 60V, 9.2mΩ, and 50A single N-channel MOSFET built with a compact and efficient design for high thermal performance. This MOSFET features low RDS(ON) to minimize conduction losses and low gate charge (QG) and capacitance to minimize driver losses. The NVMYS9D3N06CL power MOSFET is AEC-Q101-qualified and is PPAP-capable. This MOSFET is suitable for reverse battery protection, power switches, switching power supplies, and other automotive applications requiring enhanced board-level reliability.Features
- Small footprint (5mm x 6mm) for compact design
- Low RDS(ON) to minimize conduction losses
- Low QG and capacitance to minimize driver losses
- 60V drain to source voltage (VDSS)
- 50A continuous drain current (ID) @TC = 25°C
- 9.2mΩ drain to source on-resistance (RDS(on))
- LFPAK4 package, industry standard
- AEC-Q101 qualified and PPAP capable
- Pb-free and RoHS-compliant
Applications
- Reverse battery protection
- Power switches (like high-side drivers, low-side drivers, and H-Bridge)
- Solenoid drivers
- Motor control
- Load switches
- Switching power supplies
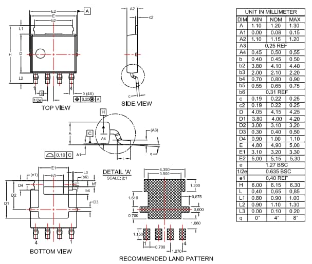
Package Dimensions
Inilathala: 2024-02-14
| Na-update: 2024-02-28
