onsemi NXV10Vx 3-Phase Automotive Power MOSFET Modules
onsemi NXV10Vx 3-Phase Automotive Power MOSFET Modules are engineered for high-efficiency power management in automotive applications. These onsemi modules are particularly suited for electric vehicle (EV) traction inverters, onboard chargers, and DC-DC converters. The devices feature low RDS(on) and high current handling capabilities, which ensure efficient power conversion and minimal energy loss. Additionally, the compact design and superior thermal performance make the NXV10Vx modules ideal for space-constrained environments in modern automotive systems. These attributes contribute to the overall reliability and efficiency of automotive power systems.Features
- 3-phase MOSFET modules
- Electrically isolated DBC substrate for low thermal resistance
- Temperature sensing
- Compact design for low total module resistance
- Module serialization for full traceability
- Enables design of small, efficient, and reliable systems for reduced vehicle fuel consumption and CO2 emissions
- Simplified vehicle assembly
- Enables low thermal resistance to junction-to-heat sink by direct mounting via thermal interface material between the module case and heat sink
- APM21-CGA package
- AQG324-qualified and PPAP-capable
- Lead-free, RoHS-compliant, and UL 94V-0 compliant
Applications
- 48V E-compressor and other 48V auxiliaries
- Electric Vehicle (EV) traction inverters
- Onboard chargers
- DC-DC converters
Specifications
- 100V maximum drain-to-source voltage
- ±20V maximum gate-to-source voltage
- 587mJ maximum single pulse avalanche energy
- 250µA maximum leakage
- 5µA maximum drain-to-source leakage current
- ±100nA maximum gate-to-source leakage current
- 2.0V to 4.5V gate-to-source threshold voltage range
- 6970pF typical input capacitance
- 3950pF typical output capacitance
- 29pF typical reverse transfer capacitance
- 0.4Ω typical gate resistance
- 101nC total gate charge
- 34nC typical gate-to-source charge
- 19nC typical gate-to-drain charge
- 46ns typical turn-on delay time
- 26ns typical rise time
- 52ns typical turn-off delay time
- 15ns fall time
- +175°C maximum junction temperature
Datasheets
- NXV10V125DT1 Automotive Power MOSFET Module
- NXV10V160ST1 Automotive Power MOSFET Module
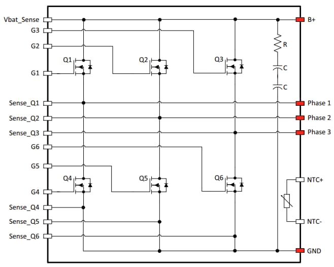
Schematic Diagram
Inilathala: 2024-03-14
| Na-update: 2025-03-25
