Panasonic Industrial Devices APV High Power Type Photovoltaic MOSFET Drivers
Panasonic APV High Power Type Photovoltaic MOSFET Drivers provide high-speed operation and low on-resistance in a miniature, surface mount SSOP package. Operating within a temperature range of -40°C to +85°C, the components also feature a 1500Vrms I/O isolation voltage, a 0.8pF typical I/O capacitance, and a 1000MΩ initial I/O isolation resistance at 500VDC. The APV Photovoltaic MOSFET Drivers from Panasonic are ideal for measuring equipment, testing equipment, industrial machinery, industrial equipment, data centers, and FA power supplies.Features
- Miniature, surface mount SSOP package
- 1 Form A output configuration
- High-speed MOSFET operation (APV1111GVY - high output current)
- Low-on MOSFET resistance (APV3111GVY - high output voltage)
- RoHS compliant
Applications
- Measuring equipment
- Testing equipment
- Industrial machinery
- Industrial equipment
- Datacenter
- FA power supply
Specifications
- Output rating
- 8.5V or 18V typical drop-out voltage
- 45µA or 12µA typical short circuit currents
- Input
- 30mA LED forward current
- 5V LED reverse voltage
- 1A peak forward current
- 60mW power dissipation
- 1500Vrms I/O isolation voltage
- Ambient temperature ranges
- -40°C to +85°C operating
- -40°C to +100° storage
- 0.8pF typical I/O capacitance
- 1000MΩ initial I/O isolation resistance at 500VDC
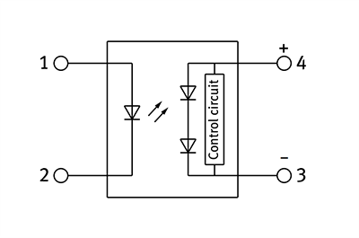
Schematic
Wiring Diagram
Inilathala: 2021-04-15
| Na-update: 2024-02-29
