Power Integrations InnoMux Controller ICs
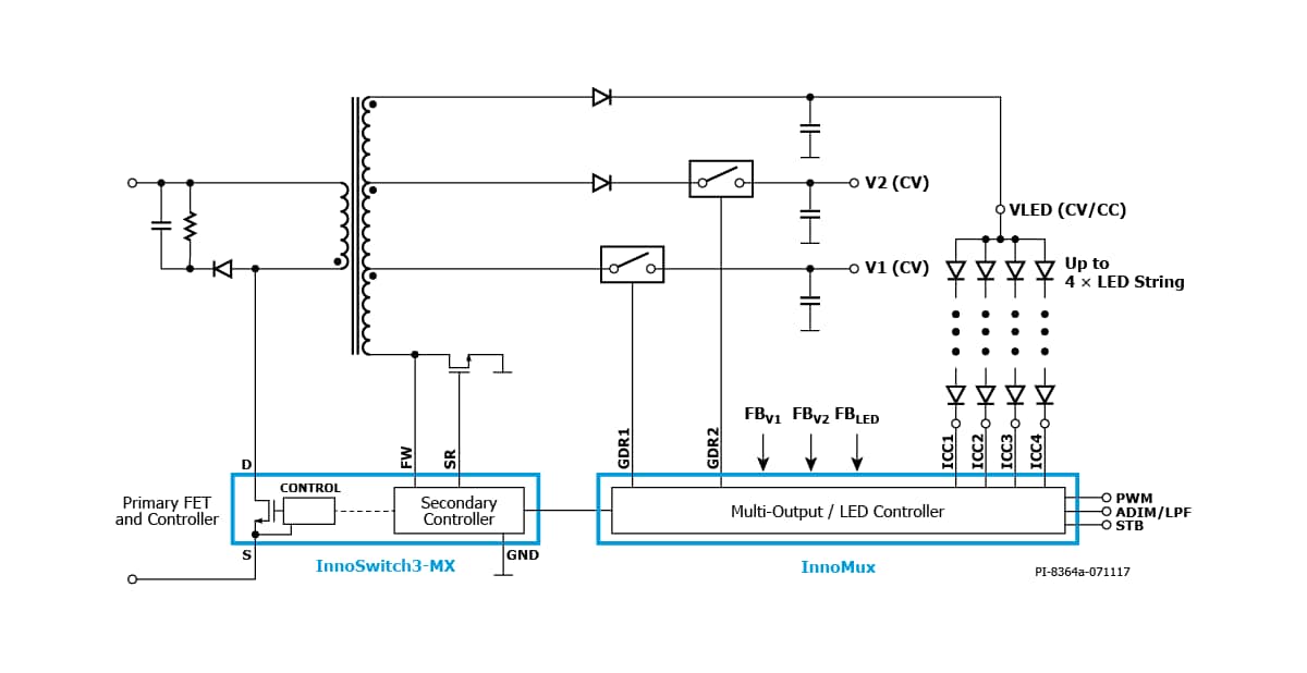
Power Integrations InnoMux Controller ICs dramatically improve the system efficiency of monitors and TVs when paired with the InnoSwitch3-MX. Power Integrations InnoMux Controller ICs eliminate the boost and buck converter stages using a single-stage flyback topology. These design features allow for high system efficiency, up to 91%, on a small PCB footprint. LED backlight control offers excellent minimum threshold regulation, analog, and several PWM dimming options. The sequenced PWM dimming option improves visual performance and stabilizes power demand. Extensive protection features are provided.Features
- 50% reduction in system power conversion losses
- Elimination of losses from buck and LED backlight boost converters
- Up to 91% efficiency
- Completely eliminates backlight boost converter and up to two buck converters
- InnoSwitch3-MX QR flyback IC
- InnoMux CV and dimmable LED backlight
Schematic
Inilathala: 2020-06-15
| Na-update: 2024-09-12
