ABLIC S-82K3B/K4B Battery Monitoring ICs

ABLIC S-82K3B/K4B Battery Monitoring ICs are designed for secondary protection of lithium-ion rechargeable batteries, incorporating high-accuracy voltage detection circuits and delay circuits. These ICs enable the connection of a 3-serial cell, and the S-82K4B enables the connection of a 4-serial cell. The S-82K3B/K4B ICs provide a wake-up function to prevent the fuse from blowing during battery connection, allowing the lithium battery to be connected in any order. These ICs include a 1.5V to 3.3V VRTC pin output voltage range that can be used as an external Real-Time Clock IC (RTC). The S-82K3B/K4B ICs feature a 2mA maximum VRTC pin output current and a maximum 4µA low current consumption. These battery monitoring ICs are lead-free (Sn 100%) and halogen-free.

Features

  • High-accuracy voltage detection circuit for each cell:
    • Overcharge detection voltage:
      • 3.600V to 5V (5mV steps)
      • ±15mV (Ta = +25°C) accuracy
      • ±20mV (Ta = -10°C to +60°C) accuracy
    • Overcharge release voltage:
      • 3.600V to 5V
      • ±50mV accuracy
    • VRTC pin shutdown voltage:
      • 2.500V to 2.800V (100mV step)
      • ±50mV accuracy
  • Delay times are generated only by an internal circuit (external capacitors are unnecessary) (1s, 2s, 4s, and 6s overcharge detection delay time, VRTC pin shutdown delay time)
  • The wake-up function monitors battery connection preventing CO pin output errors during battery connection
  • 2mA maximum VRTC pin output current
  • 1.500V to 3.300V (100mV step) VRTC pin output voltage with ±2% (Ta = +25°C) accuracy
  • CO pin output voltage is limited to 7.5V maximum
  • Overcharge timer reset function (available and unavailable)
  • -40°C to +85°C wide operating temperature range
  • Lead-free (Sn 100%) and halogen-free

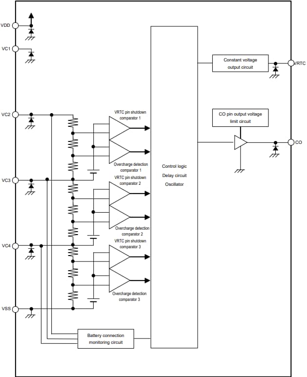
S-82K3B Block Diagram

Block Diagram - ABLIC S-82K3B/K4B Battery Monitoring ICs

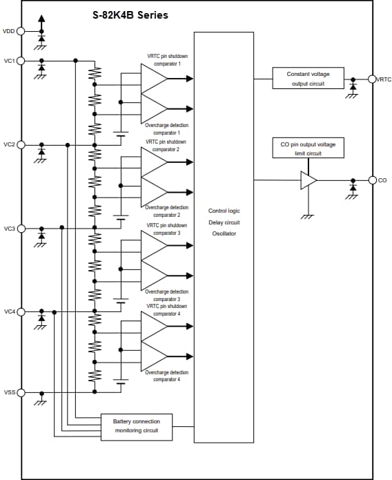
S-82K4B Block Diagram

Block Diagram - ABLIC S-82K3B/K4B Battery Monitoring ICs

IC Overview

ABLIC S-82K3B/K4B Battery Monitoring ICs
Inilathala: 2025-06-05 | Na-update: 2025-06-27