MEAN WELL NPB-450 Intelligent Battery Chargers
MEAN WELL NPB-450 Intelligent Battery Chargers are miniaturized and versatile chargers designed with automatic battery voltage detection technology. These chargers include Near-Field Communication (NFC) to set up charging parameters and select 2/3 stage charging. The NPB-450 chargers include built-in CANBus protocol for the remote setting of charging curves and monitoring charger status. The DIP S.W. on the front panel allows the user to manually adjust the 2/3 stage charging and select between the four types of preset charging curves. The NPB-450 chargers offer protection against short circuits, overvoltage, over-temperature, and battery reverse connection.The NPB-450 chargers feature a thermal-controlled DC fan for noise reduction, remote ON/OFF control, and <1mA typical leakage current from the battery. These battery chargers also feature 20% RH to 95% RH working humidity (non-condensing), 47Hz to 63Hz frequency range, and automatic power reduction for charging during overheating. The NPB-450 chargers are certified by CB, UL, DEKRA, CE, and UKCA. These chargers are used in AGV, robotic lawn mowers, surveillance systems, washing robots, E-bikes, and telecommunication base stations.
Features
- Built-in CANBus communication interface for remote setting of charging curves and monitoring charger status
- NFC interface allows selection of 2/3 charging and setting up charging parameters
- DIP S.W. allows adjustment of 2/3 charging and selection between 4 preset charging curves
- Automatic power reduction for charging during overheating
- Thermal-controlled DC fan for noise reduction
- External NTC temperature compensation to prevent rapid battery degradation
- Suitable for lead-acid and lithium batteries
- Multiple intelligent protections:
- Short circuit
- Overvoltage
- Over-temperature
- Low battery
- Battery reverse connection
- Certifed by CB, UL, DEKRA, CE, and UKCA
- 3-year warranty
Applications
- Surveillance systems
- Buses, e-bikes, e-scooters, and camping cars
- Robotic lawn mowers
- Washing robots
- Recreation craft, personal yachts, and workboats
- Automated guided vehicles (AGVs)
- Telecommunication base stations
- Radio system backup solutions
- Equipment or instrument with back-up battery
Specifications
- NPB-450-12NFC:
- 10.5V to 21V output voltage range
- 25A maximum output current
- 420W maximum output power
- 90AH to 300AH recommended battery capacity
- APB-450-24NFC:
- 21V to 42V output voltage range
- 13.5A maximum output current
- 453.6W maximum output power
- 45AH to 155AH recommended battery capacity
- NPB-450-49NFC:
- 42V to 80V output voltage range
- 6.8A maximum output current
- 456.96W maximum output power
- 24AH to 80AH recommended battery capacity
- NPB-450-72NFC:
- 54V to 100V output voltage range
- 5.5A maximum output current
- 462W maximum output power
- 19AH to 64AH recommended battery capacity
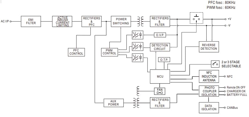
Block Diagram
Application Example
Additional Resources
- Product Brief (English)
- Product Brief (Traditional Chinese)
- Datasheet (Chinese)
- Product Overview (Chinese)
- Smart Charging Wireless Programming Solution (English)
- Smart Charging Wireless Programming Solution (Chinese)
- Tech Insight: Portable Energy Storage UPS System Solution (English)
- Tech Insight: Portable Energy Storage UPS System Solution (Traditional Chinese)
- Tech Insight: Portable Energy Storage UPS System Solution (Simplified Chinese)
Inilathala: 2023-11-06
| Na-update: 2024-10-07
