ABLIC S-82M5A Battery Monitoring IC
ABLIC S-82M5A Battery Monitoring IC is ideal for 3-serial to 5-serial cell pack secondary protection lithium-ion rechargeable batteries. This IC features a 28V absolute maximum high-withstand voltage, a 3.6V to 24V operating voltage range, and an overcharge timer reset function. The S-82M5A battery monitoring IC incorporates high-accuracy voltage detection circuits and delay circuits in a small 8-pin package. By cascading the connections of these ICs, six or more serial lithium-ion rechargeable battery packs can be protected. This IC consumes a low current of 3µA maximum during operation (3.4V for each cell) and is lead-free (Sn 100%) and halogen-free.Features
- High-accuracy voltage detection circuit for each cell:
- Overcharge detection voltage:
- 3.500V to 4.700V (5mV steps)
- Accuracy ±15mV (Ta = +25°C)
- Accuracy ±20mV (Ta = -10°C to +60°C)
- Overcharge release voltage:
- 3.100V to 4.700V
- Accuracy ±50mV
- Overcharge detection voltage:
- Delay times for overcharge detection are generated only by an internal circuit (external capacitors are unnecessary) (0.5s, 1s, 2s, 4s, 6s, and 8s overcharge detection delay time)
- CO pin output voltage is limited to 7.5V maximum
- Overcharge timer reset function
- 28V absolute maximum rated high-withstand voltage
- 3.6V to 24V wide operating voltage range
- -40°C to +85°C wide operating temperature range
- 3µA maximum during operation (3.4V for each cell), low current consumption
- Lead-free (Sn 100%) and halogen-free
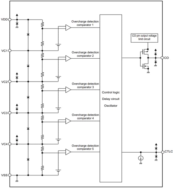
Block Diagram
Inilathala: 2025-06-04
| Na-update: 2025-06-12
