ROHM Semiconductor BD16951EFV-M 2-channel Half-Bridge Gate Driver
ROHM Semiconductor BD16951EFV-M 2-channel Half-Bridge Gate Driver is controlled by an external MCU through a 16-bit Serial Peripheral Interface (SPI). The independent control of the low-side and high-side N-MOSFETS allows for microcontroller-controlled modes. This driver includes four external MOSFETs that are controlled independently. The BD16951EFV-M driver features a 7MHz maximum SPI clock, 500kHz oscillation for the charge pump, and 0.25μs to 92μs cross current protection time range. This gate driver is AEC-Q100 qualified. The BD16951EFV-M driver is used in applications such as power window lifters, sun roof modules, wipers, seat belt tensioners, and seat positioning.Features
- 2-channel half-bridge gate drivers
- 16bit SPI
- 4 external MOSFETs are controlled independently
- Half-bridge control modes are selected by SPI
- Slew rates are controlled with constant source/sink current
- 11V typical gate drive voltage for half-bridge
- 500kHz oscillation for a charge pump
- 0μA typical VS Quiescent supply current
- 7MHz maximum SPI clock
- 0.25μs to 92μs cross current protection time range
- Available in 7.8mm x 7.6mm x 1mm dimensions and HTSSOP-B24 package
- AEC-Q100 qualified
Applications
- Power window lifters
- Sun roof modules
- Wipers
- Seat belt tensioner
- Seat positioning
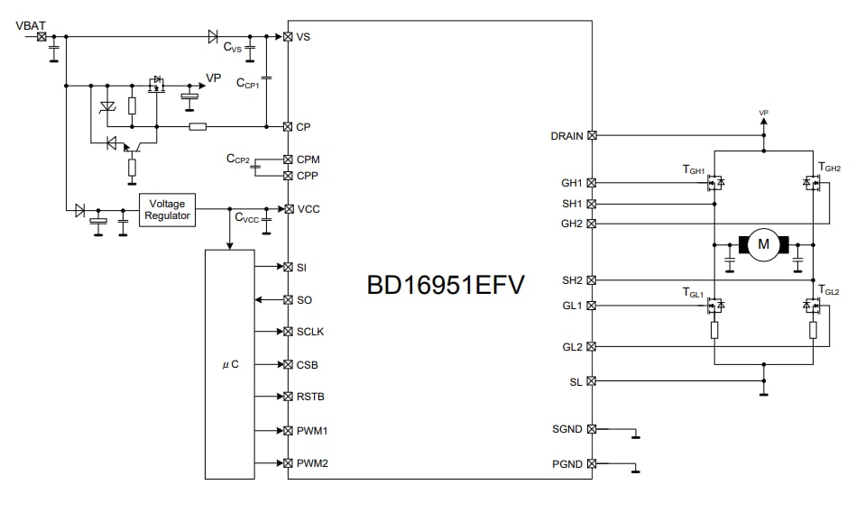
Application Circuit Diagram
Inilathala: 2025-05-16
| Na-update: 2025-06-26
