Qorvo QPA2609D 7–14GHz Low Noise Amplifiers
Qorvo QPA2609D 7-14GHz Low Noise Amplifiers are high-performance MMIC amplifiers created in Qorvo’s production 90nm pHEMT process (QPHT09). The QPA2609D Amplifiers offer a 27dB small signal gain and 1.1dB noise figure. The device delivers 20dBm of saturated power with P1dB of 18dBm in a compact size of 2.4mm x 1mm. Additionally, the device can provide low IMD3 level of −50dBc at Pout=0dBm/tone. Easy handling and simple system integration is possible combining matched 50Ω with integrated DC blocking caps on both I/O ports. Qorvo QPA2609D 7-14GHz Low Noise Amplifiers are ideal for satellite and point-to-point communication systems.Features
- 7–14GHz frequency range
- 1.1dB (typical) noise figure
- 27dB (typical) small signal gain
- 18dBm (typical) P1dB
- -50dBc (typical) (Pout=0dBm/tone) IMD3
- VD = 3.5V, IDQ = 120mA, VG = -0.46V (typical) bias
- 2.40mm x 1.00mm x 0.10mm die dimensions
Applications
- Satellite communications
- Point-to-point communications
- Radar
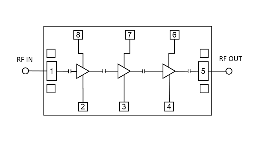
Block Diagram
Inilathala: 2018-09-14
| Na-update: 2023-01-31
