Qorvo QPC2040 X-Band GaN 10W SPDT Switch
Qorvo QPC2040 X-Band GaN (Gallium Nitride) 10W SPDT Switch is a Single-Pole Double-Throw switch fabricated on a proprietary QGaN15 0.15µm GaN on SiC production process. Operating from 8GHz to 12GHz, the QPC2040 typically supports 10W input power handling at control voltages of 0V and -28V for pulsed RF operations. The switch maintains low insertion loss less than 1.2dB and greater than 30dB isolation, making it ideal for high-power switching applications across defense and commercial platforms.The Qorvo QPC2040 X-Band GaN 10W SPDT Switch is offered in a 3.0mm x 4.5mm plastic over-molded Quad Flat No-Lead (QFN) package and is RoHS compliant.
Features
- 8GHz to 12GHz frequency range
- 10W input power
- 1.2dB insertion loss
- 30dB isolation (typical)
- RF input power
- 44.5dBm (PW = 100μ, DC = 25%, 50Ω, TBASE = 85°C)
- 43.0dBm (PW = 100μ, DC = 25%, 3:1 VSWR, TBASE = 85°C
- 35ns switching speed
- 0V, -28V control voltages
- 75W power dissipation
- -40°C to +85°C operating temperature range
- -55°C to 150°C strange temperature range
- 3.0mm x 4.5mm x 1.05mm QFN package
- Halogen-free, lead-free, and RoHS compliant
Applications
- Commercial and military radar
- Communications
- Electronic Warfare
Block Diagram
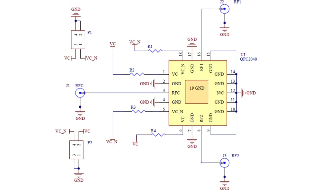
Typical Application Circuit
Inilathala: 2021-12-06
| Na-update: 2022-03-11
