Qorvo QPL1819 75Ω CATV Amplifier
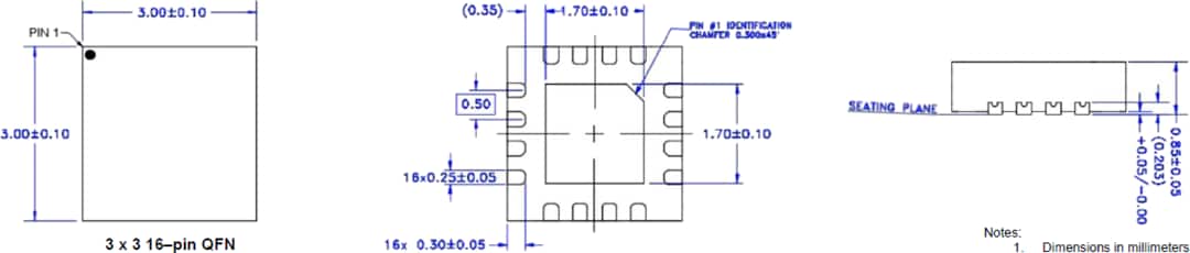
Qorvo QPL1819 75Ω CATV Amplifier is a GaAs (Gallium Arsenide) pHEMT (Pseudomorphic High-Electron-Mobility Transistor) single-ended MMIC RF amplifier offering up to 20dB of gain and low noise. The QPL1819 features a 50MHz to 1800MHz frequency range, providing an ideal solution for Broadband CATV DOCSIS 4.0 applications, such as nodes, amplifiers, and remote PHY devices, as well as Fiber to The Home (FTTH), home gateways, and cable modems. The device is powered by a single 5V supply at 120mA and provides an output of 58dBmV TCP at a Modulation Error Ratio (MER) of 45dB.The Qorvo QPL1819 75Ω CATV Amplifier is housed in a 3.0mm x 3.0mm Quad Flat No-Lead (QFN) package ideal for space-constrained designs.
Features
- 50MHz to 1800MHz frequency range
- 5V supply voltage
- 120mA supply current
- 63dBmV TCP @ 45 MER
- 20dB gain typical
- 0.3dB gain slope
- 1.7dB noise figure @ 50Mhz to 1800MHz
- Adjustable bias using external resistors
- 57°C/W thermal resistance
- -40°C to +100°C operating temperature range
- 3.0mm x 3.0mm QFN-16 package
- Lead-free, halogen-free, and RoHS compliant
Applications
- DOCSIS 4.0 amplifiers
- DOCSIS 4.0 optical nodes
- DOCSIS 4.0 remote PHY devices
- FTTH GPON and GEPON
- DOCSIS 4.0 cable modems and home gateways
- Single-ended gain blocks
Block Diagram & Pinout
Package Outline
Inilathala: 2022-06-15
| Na-update: 2022-06-17
