Renesas Electronics ISL8022 Dual 2A / 1.7A Synchronous Buck Regulator
Renesas Electronics ISL8022 Dual 2A / 1.7A Synchronous Buck Regulator is a high efficiency, dual synchronous step-down DC/DC regulator that can deliver up to 2A / 1.7A continuous output current per channel. The channels are 180° out-of-phase for input RMS current and EMI reduction. The supply voltage range of 2.8V to 5.5V allows the use of a single Li+ cell, three NiMH cells, or a regulated 5V input. The current mode control architecture enables very low duty cycle operation at high frequency with fast transient response and excellent loop stability. ISL8022 operates at a 2.25MHz switching frequency, allowing the use of small inductors and capacitors. Each channel is optimized for generating an output voltage as low as 0.6V. This device is ideal for use in a variety of applications, including DC/DC POL modules as well as microcontrollers/microprocessors, FPGA, and DSP power.Features
- Dual 2A/1.7A High-Efficiency Synchronous Buck Regulator with up to 97% Efficiency, Low IQ (40μA)
- 180° Out-of-Phase
- Start-up with Pre-biased Output
- Selectable Forced PWM Mode and PFM Mode
- External Synchronization up to 8MHz
- Negative Current Detection and Protection
- 100% Maximum Duty Cycle for Lowest Dropout
- Internal Current Mode Compensation
- Peak Current Limiting, Hiccup Mode Short Circuit Protection and Over-Temperature Protection
Applications
- DC/DC POL Modules
- Microcontroller/Microprocessor, FPGA, and DSP Power
- Plug-in DC/DC Modules for Routers and Switchers
- Test and Measurement Systems
- Li-ion Battery-Powered Devices
- Bar Code Readers
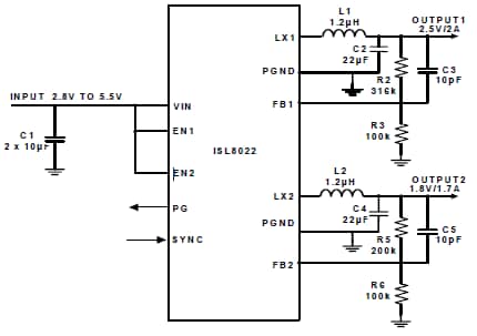
Typical Application Diagram
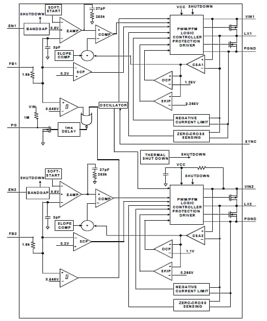
Block Diagram
Inilathala: 2012-08-03
| Na-update: 2022-03-11
