Renesas Electronics ISL81805 80V Dual Synchronous Boost Controller
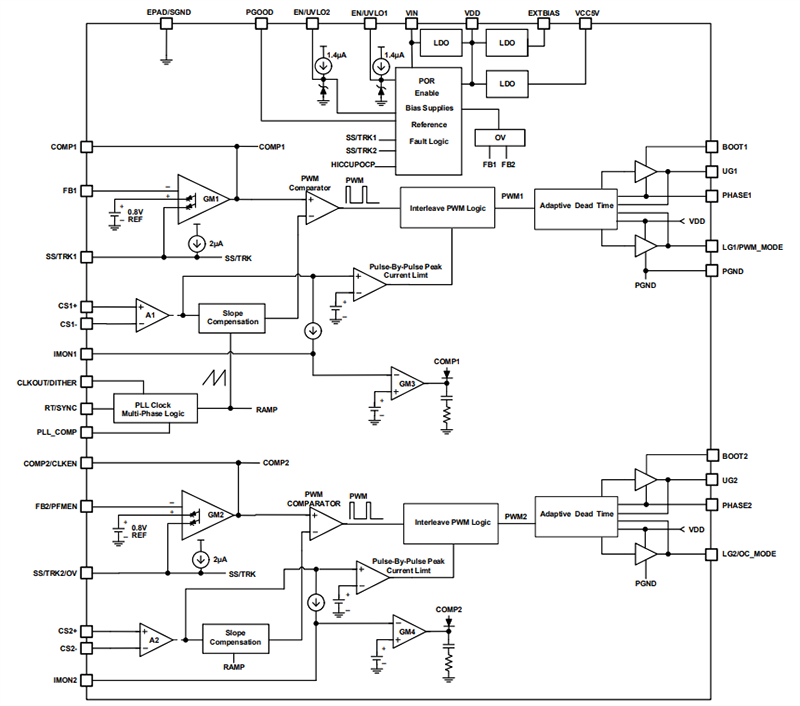
Renesas Electronics ISL81805 80V Dual Synchronous Boost Controller generates two independent outputs or one output with two interleaved phases for various industrial and general-purpose applications. A wide input/output voltage range makes the controller suitable for telecommunications, data centers, and computing applications. Packaged in a space-conscious 32-lead 5mm x 5mm TQFN, the controller features programmable soft-start and accurate threshold enable functions with a power-good indicator to simplify power supply rail sequencing. To ensure high reliability, the device also provides full protection features such as OVP, UVP, OTP, and average and peak current limits on both outputs.The Renesas ISL81805 uses peak current mode control with phase interleaving for the two outputs. Each output features a current monitor, a voltage regulator, and an average current regulator to provide independent average voltage and current control. The internal Phase-Locked Loop (PLL) oscillator ensures an accurate frequency setting from 100kHz to 1MHz, and the oscillator can be synchronized to an external clock signal for frequency synchronization and phase interleave paralleling applications. This PLL circuit can output a phase-shift-programmable clock signal that is expanded to three, four, and six phases with the required interleaving phase shift.
Features
- Wide 4.5V to 80V input voltage range
- Wide 5V to 80V output voltage range
- 4x MOSFET drivers with adaptive shoot-through protection
- Constant output voltage and output current feedback loop control
- Light-load efficiency enhancement, low ripple diode emulation, and burst mode operation
- Programmable soft-start
- Supports startup into pre-biased rails
- 100kHz to 1MHz programmable frequency range
- External clock sync
- Supports current sharing with cascade phase interleaving
- Clock out with an accurate phase angle controlled by PLL or frequency dithering
- PGOOD indicator
- Input current monitor
- Selectable mode between PWM/DE/Burst
- ±2% accurate EN/UVLO threshold
- Low 5µA shutdown current
- OCP (pulse-by-pulse and optional hiccup or constant current mode), OVP, OTP, and UVP
Applications
- Telecommunications
- Server and data centers
- Automotive electronics
- Industrial equipment
- Power systems
Typical Application
Block Diagram
Additional Resources
Inilathala: 2023-12-12
| Na-update: 2023-12-21
