Renesas Electronics ISL85014EVAL1Z Evaluation Board
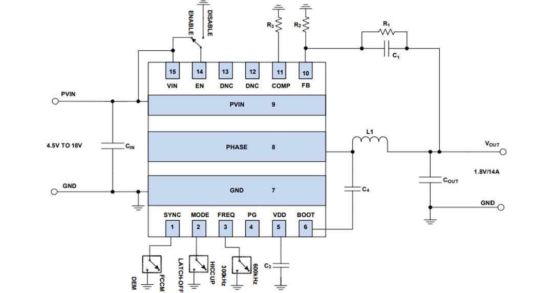
Renesas Electronics ISL85014EVAL1Z Evaluation Board is a demonstration and development platform for the ISL85014 Synchronous Buck Regulator. The ISL85014 is a highly efficient, monolithic, synchronous buck regulator that can deliver 14A of continuous output current from a 3.8V to 18V input supply. The ISL85014 uses current mode control architecture with a fast transient response and excellent loop stability. The ISL85014 integrates very low ON-resistance high-side and low-side FETs to maximize efficiency and minimize external component count. The minimum BOM and easy layout footprint are extremely friendly to space constraint systems.The Renesas Electronics ISL85014EVAL1Z Evaluation Board features a pre-mounted ISL85014 in a space-saving 3.5mm x 3.5mm TQFN-15 package. The Evaluation Board provides an example application circuit, allowing rapid prototyping when incorporated into existing designs.
Features
- Switch selectable EN (enabled/disabled)
- Frequency synchronization option
- Jumper selectable mode (DEM/Forced CCM)
- Jumper selectable OCP mode (Hiccup/Latch-off)
- Jumper selectable frequency (600kHz/300kHz)
- Connectors and test points for easy probing
- Compact design
Block Diagram
Board Layout
Inilathala: 2017-06-19
| Na-update: 2022-06-30
