Renesas Electronics RAA489118 Buck-Boost Battery Charger
Renesas Electronics RAA489118 Buck-Boost Battery Charger is a 7S battery charger with a 30V input voltage. The RAA489118 supports a broad range of input and output voltages, making it versatile for use in different voltage battery packs and with various PD adapters. The RAA489118 has built-in protection mechanisms against overcharging, overheating, and voltage anomalies, contributing to the battery's and the device's safety and longevity. When used with the Renesas Electronics RAA489400, it enables power to be transferred bi-directionally from the source to the load and vice versa.
Features
- Buck-boost charger for 2 to 7-cell up to 30V
- Input voltage range of 3.9V to 30V (no dead zone)
- Reverse buck, boost, and buck-boost operation from battery
- Autonomous charging option (automatic completion of charging)
- Pass-through mode in the forward direction
- Adapter current and battery current monitor (AMON/BMON)
- 4mm × 4mm 32-lead TQFN package
- Renesas R3™ technology provides highly efficient light-load operation and fast transient response.
- SMBus interface, easy for system integration
- The bi-directional buck-boost operation is ideal for USB-PD DRP applications
- Optional BFET separates system voltage and battery voltage
Applications
- Power tools
- Portable vacuums
- Battery-powered lawn mowers
- Drones
- Power banks
- Personal power station
- 2-cell to 7-cell tablets
- Ultra-books, notebooks, and any USB-C™ interface portable device requiring batteries
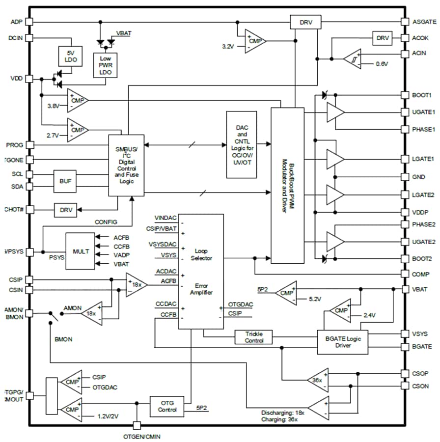
Block Diagram
Inilathala: 2024-11-20
| Na-update: 2026-01-06
