Renesas Electronics RBA250N10CHPF-4UA02 N-channel Power MOSFET
Renesas Electronics RBA250N10CHPF-4UA02 N-channel Power MOSFET is designed for high-current switching applications. This MOSFET features super low 2.4mΩ on-state resistance (VGS = 10V, ID = 125A). The RBA250N10CHPF-4UA02 MOSFET offers a typical low 9500pF input capacitance (VDS = 50V). This N-channel power MOSFET is suitable for automotive applications like low voltage inverters for 2/3-wheeler traction motor control and 180-degree sensorless FoC power tools. Additional applications include 12V/48V bidirectional DC/DC converters and automotive monitoring function extension for motor control systems.Features
- Super low on-state resistance:
- RDS(on) = 2.4mΩ maximum (VGS = 10V, ID = 125A)
- Low input capacitance:
- Ciss = 9500pF typical (VDS = 50V)
- Designed for automotive application and AEC-Q101 qualified
- Pb-free (This product does not contain Pb in the external electrode)
Applications
- Low voltage inverter for 2/3 wheeler traction motor control
- 180° sensorless FOC power tools
- 12V/48V bidirectional DC/DC converter
- Automotive monitoring function extension for motor control system
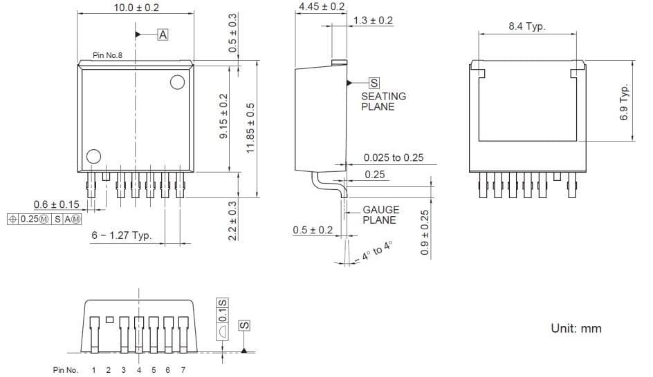
Dimensions
Additional Resource
Inilathala: 2023-06-27
| Na-update: 2024-03-15
