Renesas Electronics READ2302G Dual Operational Amplifiers
Renesas Electronics READ2302G Dual Operational Amplifiers offer high drivability and a high slew rate. The READ2302G features a minimum operating supply voltage from 2.5V, and a wide ambient temperature range from -40°C to +105°C. The Renesas Electronics READ2302G Dual Operational Amplifiers are available in an ultra-small 8-pin TSSOP package.Specifications
- Low voltage single supply operation VDD = 2.5V to 5.5V
- Low input offset voltage VIO ≤ ±6.0mV
- Low input bias current IB≤ (1pA)
- Wide output voltage range VOUT: VSS+0.1V to VDD-0.1V(@Io=5mA)
- Supply current (per channel) IDD = 0.75mA Typ.
- High slew rate
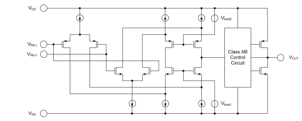
Equivalent Circuit
Pin Arrangement
Inilathala: 2020-09-18
| Na-update: 2022-03-11
