ROHM Semiconductor BM1Q0xAFJ-LBE2 Quasi-Resonant DC/DC Converter ICs
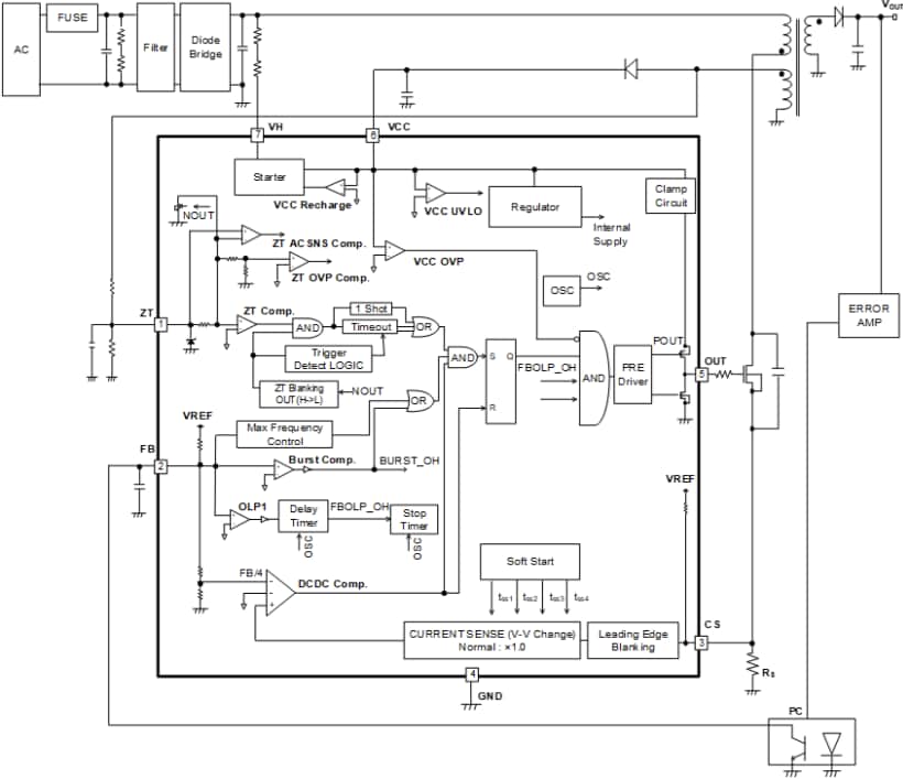
ROHM Semiconductor BM1Q0xAFJ-LBE2 Quasi-Resonant DC/DC Converter ICs provide long-time support for industrial applications and optimal systems for electrical outlets. These ICs feature a built-in 650V tolerate starter circuit that contributes to low standby power and high-speed startup. When the ICs are light-loaded, the standby power is reduced due to the built-in burst operation function and the lower current consumption of the ICs. The BM1Q0xAFJ-LBE2 converter ICs include built-in protection functions such as soft start function, over-current protection per cycle, over-voltage protection, overload protection, and CS pin open protection. Typical applications include industrial equipment, air conditioners, AC adapters, and TVs.Features
- Long-time support product for industrial applications
- Quasi-resonant system
- Built-in 650V tolerate starter circuit
- Burst operation at light load/frequency reduction function
- 120kHz maximum frequency
- AC input voltage correction circuit
- VCC pin under voltage protection
- VCC pin over-voltage protection
- Over current protection circuit per cycle
- Output driver 12V clamp circuit
- Soft start function
- ZT pin trigger mask function
- ZT pin over-voltage protection
- Output overload protection (auto-restart)
- CS pin open protection circuit (auto-restart)
Specifications
- Operating power supply voltage range:
- 8.9V to 26V VCC
- -0.3V to 650V VH
- 600μA typical current at switching operation
- 350μA typical current at burst operation
- -40°C to 105°C operating temperature range
- 4.9mm x 6mm x 1.65mm size
- SOP-J7S package
Applications
- Industrial equipment
- Air conditioners
- AC adapters
- TVs
Typical Application Circuit Diagram
Block Diagram
Application Schematic Diagram
Inilathala: 2024-05-24
| Na-update: 2024-06-12
