ROHM Semiconductor BM61M41RFV-EVK002 Evaluation Board
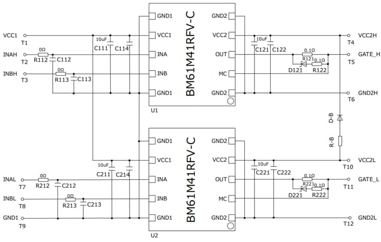
ROHM Semiconductor BM61M41RFV-EVK002 Evaluation Board drives two MOSFET power devices and is designed to evaluate a BM61M41RFV-C driver. The BM61M41RFV-C IC is a gate driver with an isolation voltage of 3750Vrms. This IC incorporates the Under-Voltage Lockout (UVLO) function for power supply protection and Active Miller Clamp for the gate control. The ROHM Semiconductor BM61M41RFV-EVK002 evaluation board provides a 4.5V to 5.5V input-side power supply and 9V to 24V output-side power supply. This evaluation board provides an evaluation of the gate driver family for various applications.Features
- 4.5V to 5.5V input-side power supply voltage
- 9V to 24V output-side power supply voltage
- Active Miller Clamping for gate control
- Under-Voltage Lockout (UVLO) function at input-side and output-side
Dimension Diagram
Schematic Diagram
Additional Resource
Inilathala: 2020-02-18
| Na-update: 2024-09-24
