ROHM Semiconductor BM61S40RFV-EVK002 Evaluation Board
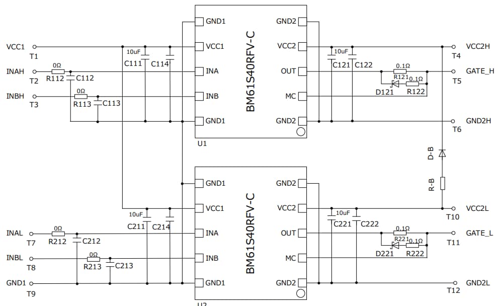
ROHM Semiconductor BM61S40RFV-EVK002 Evaluation Board drives two SiC power devices and is designed to evaluate a BM61S40RFV-C driver. The BM61S40RFV-C IC is a gate driver with an isolation voltage of 3750Vrms. This IC incorporates the Under-Voltage Lockout (UVLO), Active Miller Clamp, and Over-Voltage Protect (OVP) functions. ROHM Semiconductor BM61S40RFV-EVK002 evaluation board provides 4.5V to 5.5V input-side power supply and 16V to 20V output-side power supply voltage.Features
- 4.5V to 5.5V input-side power supply voltage
- 16V to 20V output-side power supply voltage
- Over-Voltage Protect (OVP) function at the output side
- Under-Voltage Lockout (UVLO) function at input-side and output-side
- Active Miller Clamping for gate control
Dimension Diagram
Schematic Diagram
Additional Resource
Inilathala: 2020-02-18
| Na-update: 2024-09-24
