Rubycon AX Radial Lead Aluminum Electrolytic Capacitors
Rubycon AX Radial Lead Aluminum Electrolytic Capacitors feature a 6.3VDC to 400VDC voltage ratings, ±20% capacitance tolerance, and RoHS compliance. The AX series offers an ultra-miniaturized design and a 50mA to 2480mA rated ripple current. Rubycon AX Radial Lead Aluminum Electrolytic Capacitors have a 5mm x 7mm to 12.5mm x 16mm dimensions range.Features
- 6.3VDC to 400VDC rated voltage
- ±20% capacitance tolerance
- 4.7µF to 1200µF capacitance rating
- 50mA to 2480mA rated ripple current
- 5mm x 7mm to 12.5mm x 16mm dimensions
- 1000 hours to 2000 hours of load life at +105°C
- RoHS compliant
- -40°C to +105°C temperature range
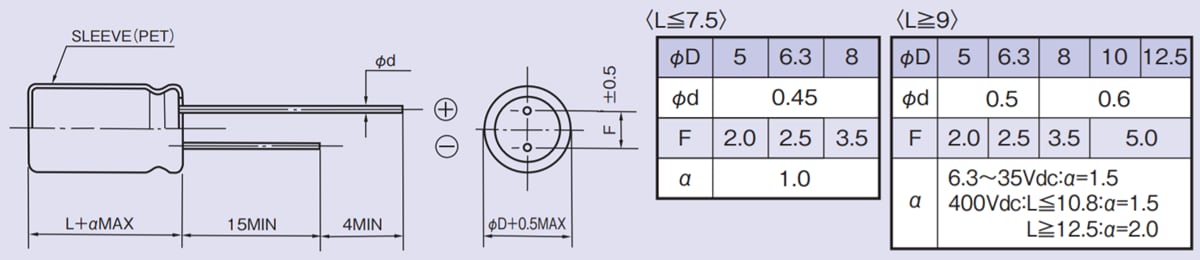
Dimensions
Inilathala: 2019-08-12
| Na-update: 2023-06-30
