Same Sky PTN06 6mm Rotary Precision Potentiometers
Same Sky PTN06 6mm Rotary Precision Potentiometers feature a 6mm carbon element housed in a dust-proof enclosure with multiple rotor and taper options. Taper options include linear, logarithmic, and reverse logarithmic. The vertical or horizontal-orientated PTN06 potentiometers range in resistance from 1.0kΩ to 2000kΩ with ±10% or ±20% standard tolerance options. The Same Sky PTN06 shaftless potentiometers carry an operating temperature range from -10°C to +70°C and a rotational life of 10,000 cycles.Features
- 6mm carbon element
- Dust-proof enclosure
- Through-hole mounting
- Multiple rotor options
- Linear, logarithmic, and reverse logarithmic tapers
- Shaftless style
- No detent or bushing
- RoHS compliant
Specifications
- 200VDC maximum operating voltage
- 0.15W maximum power rating at +70°C
- 1.0kΩ to 2000kΩ standard resistance range
- ±10% or ±20% standard resistance tolerance options
- 10Ω maximum residual resistance
- 68mV maximum sliding noise
- -10°C to +70°C operating temperature range
- +350°C maximum hand soldering temperature for 3s maximum
- +255°C to +265°C wave soldering temperature range, +260°C typical (for 5s ±1s)
- Mechanical
- 225° to 245° mechanical angle range, 235° typical
- 10gf-cm to 80gf-cm rotational torque
- 400gf-cm minimum stop strength
- 10,000-cycle rotational life
- 0.18g to 0.19g weight range
Rotor Types
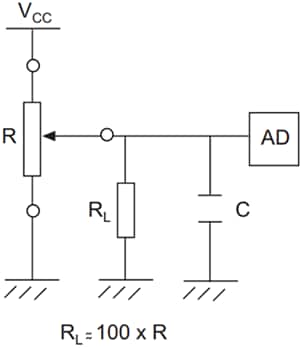
Recommended Circuit
Inilathala: 2023-01-04
| Na-update: 2024-09-24
