Sanyo Denki 9TP ø221mm x 71mm Centrifugal Fans
Sanyo Denki 9TP ø221mm x 71mm Centrifugal Fans can sustain high airflow and static pressure while limiting noise and power consumption. With a maximum airflow of 21m3/min and a maximum static pressure of 760Pa, the 9TP series provides high cooling performance even in equipment with high system impedance. The 9TP devices provide a sound pressure level of 71dB(A) and power consumption of 76.8W. The 9TP features a PWM control function designed to control the fan's rotational speed from the device side.Features
- Current blocking function and reverse polarity protection
- High airflow and static pressure
- 21m3/min maximum airflow
- 760Pa maximum static pressure
- High cooling performance even in equipment with high system impedance
- Low noise and energy efficiency
- 71dB(A) sound pressure level
- 76.8W power consumption
- Maintains high airflow and static pressure while limiting noise and power consumption
Applications
- ICT equipment
- Heat exchangers
- Large-scale energy storage systems
- PV inverters
- Air curtains
- Fan filter units
- Refrigeration units
- Fuel cells
Specifications
- 24V or 48V rated voltage options
- 16V to 72V operating voltage range
- 15% or 100% PWM duty cycle
- 0.2A to 3.2A rated current range
- 9.6W to 132W rated input range
- 500VAc, 50/60Hz dielectric strength for 1 minute
- 40,000 hour expected lifetime
- Temperature ranges
- -20°C up to +70°C operating
- -30°C to +70°C storage
- Materials
- Aluminum motor case
- UL 94V-0 plastic impeller
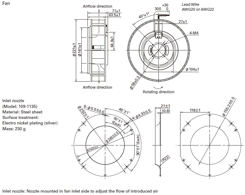
Dimensions
Reference Diagram for Mounting
Videos
Additional Resources
Inilathala: 2015-07-08
| Na-update: 2022-03-11
