SiTime SiT92 Ultra Low Jitter Buffers
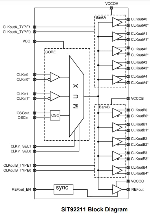
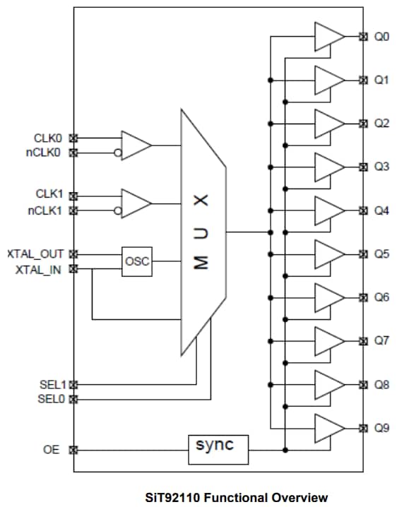
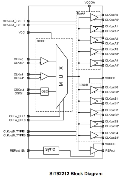
SiTime SiT92 Ultra-Low Jitter Buffers is a portfolio of high-performance clock buffers featuring up to 2.1GHz output frequency. The SiTime SiT92 features ultra-low output-to-output jitter, low additive jitter, minimal propagation delay, and broad voltage compatibility. Additionally, the portfolio introduced an automotive-grade, AEC-Q100-qualified fanout clock buffer with a low additive phase jitter of 50fs RMS. This model supports a glitch-free output enable function, reducing the risk of incorrect output clock cycles during activation or deactivation.Features
- Output frequency up to 2.1GHz
- Ultra-low output-to-output skew, as low as 30ps (typical)
- Low additive jitter, 50 to 55fs rms
- Low propagation delay, as low as <1.6ns
- Wide voltage operation for design compatibility
- Output enable (OE) signal for output synchronization (SiT92112, SiT92114, SiT92216)
- Level translation
Applications
- 5G, 4G base stations
- Telecom equipment
- Servers
- Carrier Ethernet
- Small cells
- Automotive applications
Inilathala: 2023-12-27
| Na-update: 2024-01-01
