Texas Instruments LM3645 LED Driver IC
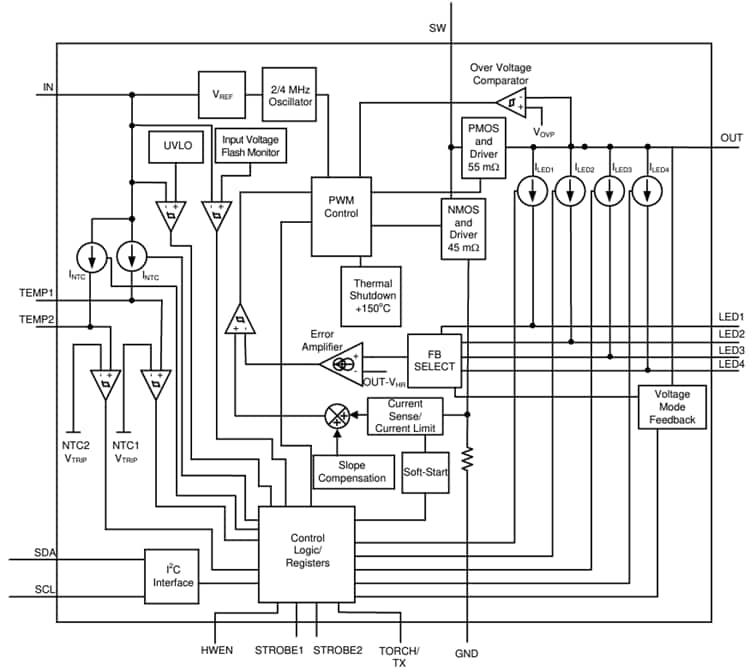
Texas Instruments LM3645 LED Driver IC is a synchronous boost quad LED flash driver with 2A high-side current source. This LED driver provides a high level of adjustability within a small solution size. The LM3645 driver incorporates a 2MHz or 4MHz constant frequency-synchronous current-mode PWM boost converter. This LED driver features quad-high-side current sources to regulate the LED current over the 2.3V to 5.5V input voltage range. Features include dual hardware flash pins and hardware torch or Tx interrupt pin (STR1, STR2, and TORCH/TX), and dual NTC thermistor monitors. The LM3645 IC is ideal for camera phones with white LED flash, digital still cameras, barcode scanners, and handheld data terminals.The LM3645 LED driver features are controlled via an I2C-compatible interface. This LED driver comes with two switching frequency options Over-Voltage Protection (OVP) and an adjustable current limit. This device operates at -40°C to 85°C ambient temperature range.
Features
- Quad independent led current source programmability
- Accurate and programmable LED current range from 0.525mA to 2A
- Optimized flash LED current during low battery conditions (IVFM)
- >85% efficiency in torch mode (@ 100mA) and flash mode (@ 1A to 2A)
- Grounded cathode LED operation for improved thermal management
- Dual hardware strobe enable (STR1 and STR2)
- Synchronization input for RF power amplifier pulse events (TORCH/TX)
- Hardware torch enable (TORCH/Tx)
- Dual remote NTC monitoring (TEMP1 and TEMP2)
- Fixed output voltage mode
- 1MHz I2C-compatible interface is I2C Address = 0x65
Applications
- Camera phone white LED flash
- Digital still cameras
- Barcode scanners
- Handheld data terminals
Application Circuit
Block Diagram
Inilathala: 2025-01-13
| Na-update: 2025-04-01
